QJZ2—80(60)/1140(660)矿用隔爆兼本质安全型真空电磁起动器使用说明书南京双京电器有限责任公司新型开关说明1、额定工作电压:660、1140V2...
下载后可任意编辑矿用电缆项目可行性分析报告下载后可任意编辑目录概论...................................................................
下载后可任意编辑矿用提升设备项目深度讨论分析报告下载后可任意编辑目录序言.............................................................
下载后可任意编辑矿用提升设备项目可行性讨论报告下载后可任意编辑目录概论...............................................................
下载后可任意编辑矿用提升设备项目投资分析及可行性报告下载后可任意编辑目录概论.........................................................
安装使用本产品前请详细阅读说明书并妥善保管KXJ127 矿用隔爆兼本安型控制箱使用说明书执行标准:GBGBGBMT209-1990(抗干扰及可靠性除外)...
下载后可任意编辑矿用钾药板型空气再生装置安全生产行业标准编制说明 安全生产行业标准《矿用钾药板型空气再生装置》征求意见稿编制说明一...
下载后可任意编辑矿用设备器材管理制度 1、矿山企业井下用设备严禁采购和使用未取得“煤矿安全标志准用证书”的产品。 2、矿用器材设备采...
下载后可任意编辑矿用设备器材前期管理制度 1、动力科、生产技术部、安监处、供给公司应根据矿上设备需求,做好设备选型、方案、购置、安装...
派克矿用软管接头
JS40 矿用减速器说明书使用说明书本产品执行《MT148—1997 刮板输送机用减速器》标准XXXX 重型机械制造2003 年 8 月一、概述 1二、...
1 煤矿各种刮板输送机型号及技术参数 普采型刮板输送机 型号 SGB620/40T SGB620/80T SGB420/17 输送能力 150t/h 150t/h 80t/h ...
下载后可任意编辑开滦(集团)蔚州矿业有限责任公司单侯矿高、低压开关柜,高低压监控系统技术协下载后可任意编辑议书甲方:开滦(集团)蔚...
- - 1 - - 美国凯泰矿用救生舱项目建议书- - 2 - - 目录一、 概 述⋯⋯⋯⋯⋯⋯⋯⋯⋯⋯⋯⋯⋯⋯⋯⋯⋯⋯⋯⋯⋯⋯.⋯⋯⋯ ..3...
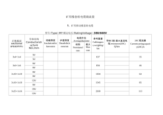
矿用橡套软电缆载流量1、矿用移动橡套软电缆型号(Type):MY 额定电压(RatingVoltage):380/660V芯数截面sectionalareasmm2导体结构Conductor...
山东众诚矿用隔爆型移动变电站用低压侧保护箱
下载后可任意编辑王志如矿用隔爆三相异步电动机的软启动设计方案12024 年 4 月 19 日下载后可任意编辑 本科生毕业设计<论文) 山西...
Q 企业规范矿用隔爆兼本安型无线通讯基站2007-10-15 发布2007-10-15 实施发布前言矿用隔爆兼本安型无线通讯基站是研制生产的产品,该产...
一、概述风门是煤矿井下通风系统中不可缺少的组成部分,也是重要的安全基础设施。 MYQ 系列全伺服自动安全联锁风门是我公司开发的适应标...
仅供参考 [整理 ] 第 1 页 共 4 页安全管理文书矿用隔爆型真空馈电开关操作规程日期: __________________单位: ______________...

