精品文档---下载后可任意编辑一、工程概况: (一)地理位置本项目位于石台县城东新区,项目基地东临规划道路,南临合肥神鹿双鹤九华药业...
1+1233m 水平 B7 东翼运输巷掘进工作面设计说明书第一节工作面地质概况一、煤层赋存情况B7 煤层为一结构简单的中厚〜厚煤层,顶板为泥...
建筑智能化设计说明1 工程概况1.12.设计依据2.1 国家现行的主要规范、规程及相关行业标准主要包括(但不限于):《智能建筑设计标准》GB5...
精品文档---下载后可任意编辑生活污水治理工程人工湿地植物布置设计说明郑州大学环境科学讨论院二零一二年二月新密市来集镇王堂中心村生活...
精品文档---下载后可任意编辑一、设计依据1.《绿色建筑评价标准》(GB/T 50378-2024)2.《广东省绿色建筑评价标准》(DBJ/T 15-83-2024)...
精品文档---下载后可任意编辑一、设计依据1.《绿色建筑评价标准》(GB/T 50378-2024)2.《广东省绿色建筑评价标准》(DBJ/T 15-83-2024)...
气泡混合轻质土设计说明、变更原因xxx 省公路勘察规划设计院股份有限公司第 1 页共 6 页11、交通部颁《公路工程质量检验评定标准》第...
“上海市嘉定区第一社会福利院”项目方案设计说明 1. 总体规划 1.1 规划依据 《上海市城市规划管理技术规定》 《上海市城市规划条例...
DOT COFFCE 咖啡厅设计说明: 建筑资料:为钢结构与砖混结合建筑体。总面积约为770 平米,其中办公区面积约为110 平米,一层户外约为2...
我认为以简洁界面的设计、材质的选用应尽可能简单,这样才能更清晰地表达空间设计的意图。简单的形式和材料成就纯粹的空间氛围,并使空间产...
南 山 后 海 中 心 区 城 市 设 计 ( 简 本 ) 新 标 准 新 秩 序 新 生 活 新 体 验 海 傍 新 城 深 圳...
杜 受 田 故 居 布 展 说 明 ( 讨 论 稿 ) 布 展 方 案 自 草 拟 以 来 , 征 求 了 社 会 各 界 人 士...
照明工程设计说明1. 设计依据◊《电力工程电缆设计规范》GB50217-94;◊城市工程管线综合规划规范(GB50289-98)◊《城市道路照明设计标准》...
第1页 设计方案说明 一、工程概况: 项目名称 某中学学生和教工食堂 设计单位 厨具公司 厨房面积 就餐人数 二、设计依据 三、厨...
11第一章概述第二章总平面设计第三章建筑设计第四章结构设计第五章给水排水设计第六章电气设计第七章暖通设计第八章无障碍设17第九章消防设...
锦州睿阳电子科技有限公司 光电通信设备生产项目 厂房、办公楼及附属设施设计说明 锦州睿阳电子科技有限公司 二〇一三年六月 目 录 ...
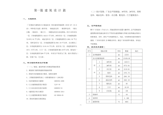
--1-- 第一篇 建 筑 设 计 篇 一、 工程概况 厂区规划与建筑设计方案选址位 项目建设用地面积22533 ㎡(33.8亩)。单体设计包括...
1 幢多层的危险化学品仓库的建筑图及其设计说明;主要参数有: 一、 本工程占地面积 889.53m 2,建筑面积 2668.58m 2二、 耐火等级...
1 七、电气专业 目 录 Ⅰ、设计说明 一、 设计依据和范围 二、 供配电 三、 电力、照明 四、 通信、信息 II、附表 一、用电...
南郊花园景观环境设计 初步设计说明 一、 项目名称:上海南郊花园别墅区 二、 项目位置: 上海南汇区周浦镇沪南公路,横桥路,周西路...

