陕西建工第三建设集团有限公司延安能源化工子长综合利用节能示范工程 1 碎 石 盲 沟 施 工 方 案 工程名称:延安能源化工子长综...
碎石盲沟施工安全技术交底 一、作业人员行为基本规定 (1)所有施工人员在进入施工现场前必须接受安全教育培训和交底。 (2)在进入施工...
1 关于碎石水洗工艺 及配套设备的考察报告 哈尔滨铁路局玉泉采石场 赵金国 1.国内碎石水洗工艺介绍 目前国内碎石水洗工艺及设备主要...
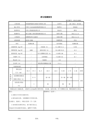
碎石检测报告
碎 石 桩 监 理 细 则 一 、沿线自然环境及地质概况 (一 )地形地貌 昆 明 市 广 福 路 改 扩 建 工 程 位 于 云...
1 目 录 1、编制依据 .............................................. 2 2、工程概况 .............................................
邯济铁路扩能改造工程施工指挥部第二项目部 路基碎石桩试验段试桩方案 第1页 共9页 碎石桩试桩方案 一、编制说明及依据 (一、 编制...
碎石或卵石质量标准及检验方法JGJ53-92 1、质量要求: 1.1 碎石或卵石的颗粒级配应符合表①的要求 表① 级配 情况 公称 粒级(mm)...
霍州市美景一号住宅小区3 # 楼级配碎石垫层施工方案 1 级配碎石垫层施工方案 一、编制依据: 《美景一号住宅小区施工组织总设计》 ...
碎 石 垫 层 施 工 方 案 编 制: 复 核: 审 核: 中交二航局集团******项目部 二〇一三年十二月四日 目 录 一、工程简...
目 录 第一章 编制说明 .................................................................................... 1 1 .1 编制依据...
承载力:击数平均值N63.53456789碎石土140170200240280320360重型动力触探击数N63.5345681012卵 石200275340400495580660圆 砾1952503103...
1 构 筑 物 基 础 碎 石 换 填 处 理 施 工 方 案 1、 工 程 概 况 蒲 城 清 洁 能 源 化 工 有 限 责 任...
碎 石 场 建 设 加 工 方 案 第 一 章 总 则 1.1 目 的 本 项 目 设 置 符 合 标 准 化 要 求 、 满 足 ...
1 水 泥 石 灰 土 碎 石 基 层 施 工 方 案 佳 吴 线 四 级 公 路 N2标 段 K22+000-K34+378 长 度 12.378Km,分...
0级配碎石施工方案1、编制依据1。1《城镇道路工程施工与质量验收规范》CJJ1—20081。2《城市道路路基工程施工及验收规范》CJJ44—911。3 ...
1 泥 结 碎 石 施 工 方 案 土 地 整 理 项 目 道 路 工 程 主 要 形 式 有 : 田 间 路 、 生 产 道 等...
河 沙 、 碎 石 供 应 、 运 输 、 售 后 服 务 方 案 ( 一 ) 供 应 方 案 1.1 运 营 及 供 应 保 障 ...
新建呼和浩特至准格尔铁路工程标段路基地基加固处理碎石桩试桩工艺总结报告中国铁建编制:复核:审核:中铁二十一局集团有限公司呼准鄂铁路...
页脚内容省道 455 线色达亚龙至甘孜县锣锅梁子段公路改建工程级配碎石专项施工方案编制:审核:四川川交路桥工程有限公司色锣路 B 标项...

