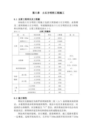
第八章 土石方明挖工程施工8.1 主要工程项目及工程量本标段土石方明挖工程施工包括大坝基础土石方明挖、水垫塘及二道坝基础土石方明挖、...
土石方明挖工程监理实施细则8.1 总 则(1)本细则适用于水利水电工程的土石方明挖工程,其他土石方明挖工程项目:如采石场、土料场开挖等...
浅谈水电站放空洞土石方明挖及边坡支护施工技术浅谈水电站放空洞土石方明挖及边坡支护施工技术 摘要:本文主要结合某水电站实例对水电站防...
7 土石方明挖施工方法说明7.1 概述坝址区位于 xx 上游河谷,为山间河谷地貌,坝段内河流曲折,坝址河谷呈宽“U”字型,两岸地形不甚对...
土石方明挖1 导流洞土石方明挖1.1 概述导流洞土石方明挖是指导流洞进、出口段,导流洞进口段位于坝前河湾处,地势呈阶梯状,为弱风化绢英...
第 八 章 土 方 明 挖8.1 概 述8.1.1 工 程 概 况土方明挖工程主要为尾水系统工程尾水出口高程260.00m 以下的土方明挖,为表...
吉牛水电站土石方明挖工程监理实施细则(编号:HND18/P220-2025-B003)湖南水利水电工程监理承包总公司吉牛水电站工程监理部2009 年 05 ...
南召县农村饮水安全工程云阳镇水厂建设土方明挖工程监理实施细则河南信禹监理有限公司南召县 2025 年农村饮水安全工程监理部二 0 一 0...
吉牛水电站土石方明挖工程监理施行细那么〔编:HND18/P220-2024-B003〕湖南水利水电工程监理承包总吉牛水电站工程监理部2009 年 05 月 ...
土石方明挖爆破施工作业指导书土石方明挖爆破施工作业指导书- 会员中心 加入 VIP 微信 微信号 用户名: 密 码:Cookie: 不保存 ...
土石方明挖爆破施工作业指导书土石方明挖爆破施工作业指导书-安全管理网安全管理网会员中心加入 VIP微信安全管理网微信号 用户名: 密码...
土石方明挖工程监理施行细那么〔编:HND18/P276-2024-B003〕湖南水利水电工程监理承包总榆林王圪堵输水工程工程监理部2010 年 07 月 10...
土方明挖专项安全技术措施一、工程概况东干隧洞总长 28.763km(桩号东干 0+000~东干28+762.89),为无压输水隧洞,设计流量 10.19m/s。...
南召农村饮程度安工程云镇水厂建立土方明挖工程监理施行细那么河南信禹监理南召 2024 年农村饮程度安工程监理部二 0 一 0 年九月审批...
左岸缆机平台土石方明挖监理实施细则1. 前言为贯彻落实国家有关法律法规和规章制度以及工程建设的要求,保证左岸缆机平台土石方明挖施工工...
土方明挖专项安全技术措施一、工程概况东 干 隧 洞 总 长 28.763km ( 桩 号 东 干 0+000 ~ 东 干28+762.89),为无压输水...
商务礼仪实战训练课程背景:荀子云:"人无礼则不生,事无礼则不成,国无礼则不宁。"在当今以市场经济为主导的地球村中,商务礼仪的训练是每...
土石方明挖爆破施工作业指导书一、 工程概况江苏溧阳抽水蓄能电站地处江苏省溧阳市,上水库位于龙潭林场伍员山工区,与安徽省接壤;下水库...
土石方明挖工程施工方案一、土石明挖施工方法由于施工区域山高坡陡,道路布置比较困难,因此,开挖施工设备将根据道路布置的情况合理选择,...
方明:特色小镇规划设计的内容和重点特色小镇规划设计的内容和重点中国城市科学规划设计研究院院长 方明特色小镇建设目前持续受到各界关注...

