精品文档---下载后可任意编辑1.算法通常是指根据一定规则解决某一类问题的明确和有限的步骤.2.程序框图又称流程图,是一种用程序框、流...
质量是工程的生命,更是一个行业的生命。一个高品质的公路工程项目,不仅是实体质量、功能质量、外观质量的完美结合,是结构安全、经久耐用...
'' 项目组织机构框图 项目经理 项目副经理 项目总工程师 工 程 管 理 部 材 料 设 备 部 计 划 财 务 部 安 全 质 ...
各种施工工艺流程框图
图11-8 卷积码编码器一般原理方框图 例: (n , k , N) = (3, 1, 3)卷积码编码器 每当输入 1 比特时,此编码器输出 3 比特...
1 1 单位组织机构框图 经 理 财务负责人 技术负责人 副经理 质检安技组 材料组 施工队 经营部 设计部 工程部 2 2 单位质量...
公路工程质量安全保证体系框图
公路工程主要分项工程施工工艺框图 1、路基填筑施工 路基填筑施工工艺框图 循环至路基面 基底处理 施工准备 分层填筑 摊铺整平 洒...
企 业 组 织 机 构 框 图 ( 组 织 内 部 架 构 图 )以 框 图 方 式 表 示 :总 经 理技 术 部财 务 部质 ...
级配碎石调平层施工工艺框图检查、整修路槽原材料试验拟定试验方案施工测量放样不同厚度的摊铺碾压试验报工程师审批报工程师审批备料摊铺(...
(九)排水工程1、雨水工程(1)测量放线①组织测量技术人员按规划局提供的测量控制点进行复测,复核无误后建立工程测量控制网,对工程进行...
必修31算法与程序框图教案
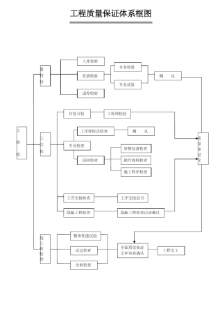
工程质量保证体系框图入库检验器材检退库检验发放检验专业检验确认专业试验自检互检工程师检验工程检工序停检点检查确认工序检巡回检查专业...
1. 闪烁灯 1. 实验任务 如图4.1.1 所示:在P1.0 端口上接一个发光二极管L1,使L1 在不停地一亮一灭,一亮一灭的时间间隔为0.2 秒...
1 温馨提示: 检测题库为Word版,请按住Ctrl,滑动鼠标滚轴,调节合适的观看比例,点击右上角的关闭按钮可返回目录。 考点1 算法与程序...
土 建 各 专 业 施 工 队 伍 安 装 各 专 业 施 工 队 伍 技 术 员 资 料 员 试 验 员 施 工 员 测 量 员...
郑常庄热电燃气轮机 控制和保护逻辑框图 华 电(北 京)热 电 有 限 公 司 郑常庄燃气工程 设 备 部 设备部 华电北京郑常庄...
1.1.2 程序框图(第二、三课时)一、三维目标:1、知识与技能:掌握程序框图的概念;会用通用的图形符号表示算法,掌握算法的三个基本逻辑...
开关电源剖析 Anatomy of Switching Power Supplies 第一页 绪论 PC上使用的电源供应器基于名为“开关模式(Switching Mode)”的...
. . 1 / 6 现 场 组 织 机 构 框 图 项 目 部 技 术 负 责 人 项 目 经 理 预算员 质检员 资料员 安全员 财...

