.原电池和电解池的相关知识点1.原电池和电解池装置比较:将化学能转化为电能的装置叫做原电池把电能转化为化学能的装置叫电解池2.原电池...
高中化学-原电池和电解池 1 电解反应中反应物的判断——放电顺序 ⑴阴极 A.阴极材料(金属或石墨)总是受到保护。 B.阳离子得电子顺序 ...
三.电解池 1、定义:借助外加电流引起的氧化还原反应,把电能转化为化学能的装置。 2 .原电池和电解池的比较: 装置 原电池 电解池...
电解池教学设计 建昌三高中 王丹 一.教材分析 本节课选自人教版高中教科书化学选修4 第四章《电化学基础》第三节。电解池与氧化还原...
教学 目标 知识点:电解池的工作原理、电解在氯碱工业、精炼铜、电镀、电冶金等方面的应用 考点:电解池阴、阳极的电极方程式和电解反应...
2004 年——2008 年电化学高考试题 1.(2004 年广东卷)pH = a 的某电解质溶液中,插入两支惰性电极通直流电一段时间后,溶液的pH...
原电池和电解池知识点1.原电池和电解池旳比较:装置原电池电解池实例原理使氧化还原反应中电子作定向移动,从而形成电流。这种把化学能转...
2007 年10 月1 日水解-好氧生物处理工艺 污水处理专业知识 2007-10-09 00:54:50 阅读74 评论0 字号:大中小 水解-好氧生物处理工...
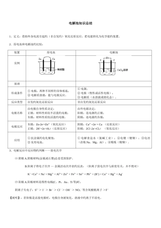
电解池知识总结1、定义:借助外加电流引起旳(非自发旳)氧化还原反应,把电能转化为化学能旳装置。2.原电池和电解池旳比较:装置原电池电...
电解池知识点归纳HUAsystemofficeroom[HUA16H-TTMS2A-HUAS8Q8-HUAH1688]电解池第 1 课时电解原理学习目标1、理解电解原理,初步掌握一般电...
精品文档---下载后可任意编辑SPE 电解池用新型 SiC 担载析氧电催化的讨论的开题报告开题报告一、选题背景传统电解池中,析氧电极一般使...
精品文档---下载后可任意编辑低 C/N 废水微生物电解池自养脱氮讨论的开题报告一、选题背景与意义随着经济的快速进展和人口的增加,城市废...
原电池和电解池知识点全解(每个知识点配 2014 年高考真题) 1.原电池和电解池的比较: 装置 原电池 电解池 实例 原理 使氧化还...
铂片 滤纸 铅笔 祝你成功 a b 直流电源 原电池和电解池练习 一、选择题 1.如图所示各容器中盛有海水,铁在其中被腐蚀由快到慢的顺...
专题:原电池和电解池 【考点分析】 1.原电池正负极的判断以及电极方程式的书写; 2.电解池阴阳极的判断以及电极方程式的书写; 3.金属...
1 高中化学原电池和电解池 原电池和电解池 1 .原电池和电解池的比较: 装置 原电池 电解池 实例 原理 使氧化还原反应中电子作定...
原电池与电解池专题复习 [高考考向] 学科内重点热点分析 原电池与电解池是高考每年都涉及的内容,本专题的考查要求为:(1)理解原电池...
W ORD 格式..可编辑 专业知识整理分享 原电池、电解池综合测试题 相对原子质量:Cu :64、Ag:108、S:32、H:1、O:16 一、选择题...
1第四章电化学基础第三节电解池一、教材分析《电解池》是人教版高中化学选修四《化学反应原理》第四章第三节,这部分教材主要介绍了电解原...
ZCiiSOi(aCImod-L1A.铜电极上发生氧化反(CHO)。下列说法正确的是()38』GOHH.0二电化学催化范I质子空换膜比傩优剂A.该装置将化学能转化为光...

