郑州市白沙园区平安大道跨贾鲁河桥梁工程(K0+053.409~K0+726.334),全长 672.925 米,主要工程项目有桥梁、路基等。根据合同文件要求及交...
1导线截面积与载流量的计算一、一般铜导线载流量导线的安全载流量是根据所允许的线芯最高温度、冷却条件、敷设条件来确定的。一般铜导线的...
4 通电导线在磁场中受到的力1 .安培力的方向磁场磁感线电流安培力(1) 安培力:通电导线在 ______ 中受的力称为安培力.(2) 左手定则...
磁场对通电导线的作用三、台山市台师高级中学 王凤娟选修 1-1 复习温故一 、电流的磁效应NS电流 新课教学 新课教学磁场对通电导线的...
4. 通电导线在磁场中受到的力(第 2 学时)一、安培力的方向1 .安培力:通电导线在 中受的力.2 .决定安培力方向的因素:(1) 方向...
架空送电线路导线及避雷线液压施工工艺规程SDJ 226-87(试行)主编部门:水利电力部电力建设研究所批准部门:中华人民共和国水利电力部实行...
架空线路的导线架设1 范围本工艺标准适用于 10kV 及以下架空配电线路的导线架设安装工程。2施工准备2.1 材料要求:2.1.1所采用的器材、...
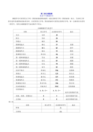
第二章公路勘测第 2-1 节测量符号测量符号可采用英文字母(国家标准或国际通用)或汉语拼音字母(国家标准)表示。当该项工程需引进外资...
第四节磁场对通电导线的作用力第三章磁场安培力:通电导线在磁场中受到的力一、安培力的方向按照右图所示进行实验。1、改变导线中电流的方...
毕业论文(设计)题目:输电线路导线温度检测及动态增容系统设计系部名称:专业班级:学生姓名:学号:指导教师:教师职称:20年月日摘要在...
通电导线周围存在磁场课件•安培环路定律•磁场与电流的关系•通电导线的磁场分布•磁场对通电导线的影响•通电导线在磁场中的运动•通电导...
通电导线在磁场中运动课件目录CONTENTS•磁场和通电导线的基础知识•通电导线在磁场中的运动规律•通电导线在磁场中的动力学分析•通电导线...
说课磁场对通电导线的作用刘为平分解课件CATALOGUE目录•课程导入•磁场对通电导线的力的作用•磁场对通电导线力作用的实验探究•刘为平教...
受控状态分发号第1页共1页作业k指导书编号第2版第0次修改进货检验规范(导线、排线)生效日期1目的及适用范围本检验规范的目的是保证本公司...
隧道洞内虚拟双导线测量技术研究前言长大隧道工程施工过程中,从工程开工始终到工程结束,均离不开工程测量工作,隧道工程能否按规范规定的...
学习目标1、了解引导层的作用、图标2、掌握引导线的绘制要点3、掌握引导层动画的制作要点4、能通过模仿完成基本任务的制作引导线动...
五、磁场对通电导线的作用力1.知道磁场对通电导体有作用力。2.知道通电导体在磁场中受力的方向与电流方向和磁感线方向有关,改变电流方向或...
初中物理多种方法判断导线中有无电流江苏朱杰珍导线中有无电流,我们知道在家庭电路中,一般用测电笔来判断。通过电和磁的学习,我们已经知...
四种测量导线断点的方法一、电容法查找导线断点的方法单根绝缘导线查断点不能用电容表,可以用数字式测电笔,这种电笔很普及它上面有两个触...
§3.4通电导线在磁场中受到的力【学习目标】1.知道什么是安培力,会用左手定则熟练地判定安培力的方向,并会用它解答有关问题。2.会用安培...

