电脑桌面
添加小米粒文库到电脑桌面
安装后可以在桌面快捷访问

导线测量技术要求VIP专享VIP免费

导线测量技术要求_第1页
1/44
导线测量技术要求_第2页
2/44
导线测量技术要求_第3页
3/44
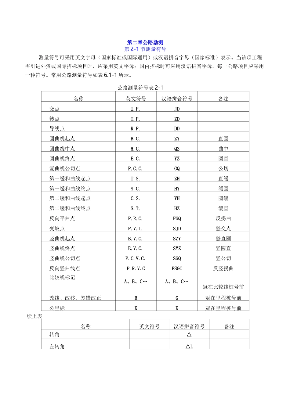
第二章公路勘测第 2-1 节测量符号测量符号可采用英文字母(国家标准或国际通用)或汉语拼音字母(国家标准)表示。当该项工程需引进外资或国际招标项目时,应采用英文字母;国内招标时可采用汉语拼音字母。每一公路项目应采用一种符号。常用公路测量符号如表 6.1-1 所示。公路测量符号表 2-1名称英文符号汉语拼音符号备注交点I.P.JD转点T.P.ZD导线点R.P.DD圆曲线起点B.C.ZY直圆圆曲线中点M.C.QZ曲中圆曲线终点E.C.YZ圆直复曲线公切点P.C.C.GQ公切第一缓和曲线起点T.S.ZH直缓第一缓和曲线终点S.C.HY缓圆第二缓和曲线起点C.S.YH圆缓第二缓和曲线终点S.T.HZ缓直反向平曲点P.R.C.FGQ反拐曲变坡点P.V.I.SJD竖交点竖曲线起点B.V.C.SZY竖直圆竖曲线终点E.V.C.SYZ竖圆直竖曲线公切点P.C.V.C.SGQ竖公切反向竖曲线点P.R.V.CFSGC反竖拐曲比较线标记A、B、C…A、B、C…冠在比较线桩号前改线、改移、差错改正RG冠在里程桩号前公里标KK冠在里程桩号前续上表名称英文符号汉语拼音符号备注转角△左转角△L右转角△R缓和曲线角P缓和曲线参数AA平、竖曲线半径RR曲线长(包括缓和曲线长)LL圆曲线长LcLy缓和曲线长LsLh平、竖曲线切线长(包括设置缓和曲线所增切线长)TT平曲线外距(包括设置曲线所增夕卜距)、竖曲线外距EE校正值(两切线与曲线长度的差值,包括设置缓和曲线所引起的变动)DJ校超高值HsHe超高缓和长度LrLc加宽缓和长度LwLj横坐标XX纵坐标YY方位角e计算方位角0c方向角Z屮计算方向角Zc屮 j水准点B.M.B.M.咼程EL.EL.设计高程D.EL.D.EL.路基宽度BB用地界R/M(R.O.W)YDJ用地界路面宽度bb路基加宽度BwBj路面加宽度bwBj续上表名称英文符号汉语拼音符号备注流量QQ流速、计算行车速度VV设计水位D.W.L.SW设位历年最咼洪水位H.W.L.GW咼位多年平均洪水位M.F.L.PW平位历史最高流冰水位H.I.W.L.BW冰位历史最高潮水位H.T.W 丄.CW潮位通航水位N.W.L.HW航位普通水位OWL.TW通位测量时水位S.W.L.LW量位地下水位U.W.L.DW地位东EE南SS西WW北NN左LL右RY面积AA填咼FT填挖深CW挖填面积AFAT体积VV长L,1L宽B,bB,b高H,hH,h厚dQdQ直径D,dDg半径R,rR,r三角占八、、△△GPS 点第 2-2 节测量标志和记录―、测量标志1•标志的种类和用途(1) 主要控制桩主要控制桩是指需要保留较长时间、反复用于各设计阶段和施工期间的控制性标志,主要有 GPS 点、三角点、导线点、水准点、桥隧控制桩、互通立交控制桩等。主要控制桩应为预制或就地浇筑混凝土桩,其材料及规格如图 6.2-1 ...

1、当您付费下载文档后,您只拥有了使用权限,并不意味着购买了版权,文档只能用于自身使用,不得用于其他商业用途(如 [转卖]进行直接盈利或[编辑后售卖]进行间接盈利)。
2、本站所有内容均由合作方或网友上传,本站不对文档的完整性、权威性及其观点立场正确性做任何保证或承诺!文档内容仅供研究参考,付费前请自行鉴别。
3、如文档内容存在违规,或者侵犯商业秘密、侵犯著作权等,请点击“违规举报”。

碎片内容

导线测量技术要求

确认删除?
VIP
微信客服
  • 扫码咨询
会员Q群
  • 会员专属群点击这里加入QQ群
客服邮箱
回到顶部