绑扎梁体钢筋台座准备安装梁体模板结束绑扎梁面钢筋浇注混凝土养生穿钢铰线张拉压浆封锚移梁、存梁9、梁体预制本标段有 25 米、35 米、4...
长宁县碧浪湖水库葛藤湾渡口改人行桥新建工程施工组织设计编 制 单 位: 四川隆生建设工程有限公司 监 理 单 位: 四川省城市建设...
湖 南 省 溆 浦 县 兰 岗 山 风 电 场 进场 道 路英 雄 桥 通 行 工 程施 工 组 织 设 计 编 写 : 审 批 ...
潼河桥(64+108+108+64)连续梁桥抗震设计研究摘 要地壳岩石在地球内力的作用下,发生错位或断裂,从而导致的震动,这种效果就叫做地震。...
电动单梁桥式起重机安装施工方案卫华起重机有限公司二 00 九年目 录一、基本情况.......................................................
电动单梁(悬挂)起重机检修保养记录表使用单位设备名称电动单梁悬挂起重机规格型号安装地生产厂家注册代码产品编序号检查项目名称检查保养...
现浇连续箱梁支架预压施工技术方案一、编制依据1、河南省化庄(省界)至新蔡高速公路工程《两阶段施工图设计》; 2、河南省化庄(省界)至新...
现浇混凝土梁(板)桥施工一、支架类型与构造1、满布式木支架满布式木支架主要适用于跨度和高度都不大的工程量较小的引桥、通道、立交桥。高...
浅谈预应力空心连续梁桥施工过程控制 一、前言 预应力砼连续梁桥由于具有跨越能力大、下部受力和构造简单、施工方法灵活、适应性强、结构...
浅谈预应力混凝土连续箱梁桥设计中的问题摘要 桥梁设计是一项综合的工程,设计过程中会遇到一些问题,如桥位选择、桥面标高的确定、确定桥...
梁桥施工期末复习一、 概念工程;土木工程;工程设施:桥梁工程;桥梁;主桥;引桥;桥跨结构:设计洪水位:高水位:低水位;跨度;主跨;计算...
钢筋混凝土 T 型梁桥设计计算书1 行车道板内力计算1.1 恒载产生的内力以纵向 1 米宽的板条进行计算如图 1.1 所示.图 1.1 铰接悬...
板梁桥工程施工方案2。1、基坑开挖2.1。1 开挖准备(1)根据施工图纸的要求,按土方明挖工程的开挖线进行施工。(2)在施工前,详细了解工...
板梁桥工程施工方案2。1、基坑开挖2。1。1 开挖准备(1)根据施工图纸的要求,按土方明挖工程的开挖线进行施工.(2)在施工前,详细了解工程...
双梁桥式起重机变频改造方案精TheponywasrevisedinJanuary2021吊钩桥式起重机电控系统改造方案单位:纽科伦(新乡起重机有限公司目录1 综述...
3×20m 预应力混凝土连续箱梁分离式立交桥设计摘 要 本设计为 3×2O 米预应力混凝土连续箱梁分离式立交桥。由于设计要求上跨一条二级...
钢梁桥施工质量验收标准(I)一般规定钢梁施工应编制实施性施工组织设计、架梁辅助结构工艺设计和施工工艺设计。钢梁支座检验应符合本标准第...
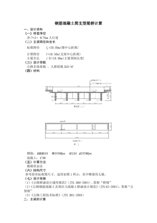
桥梁工程课设——简支梁桥设计1. 基本设计资料1)跨度和桥面宽度(一)标准跨径:35m(墩中心距)。(二)计算跨径:34.5m(三)主梁全长...
第5章曲线梁桥的理论分析
第4章斜梁桥理论分析

