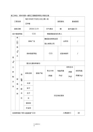
专业整理分享施工单位:郑州市第一建筑工程集团有限公司施记表工程名称瑞贝卡和天下住宅小区三期一标22#楼浇筑部位基础垫层浇筑日期2016-11...
DDDDDDDDDDDDDDDDD完美整理A.0.6DDDD□□□□□□□□ZL-20160630□□□□□□□□□□□□□□□3F□□□□□□C15□□□□□□□□□□□...
下载后可任意编辑 全现浇剪力墙结构混凝土浇筑工程 分项工程质量技术交底卡GD2301003 施工单位工程名称分部工程交底部位日 期 年 月...
下载后可任意编辑 独立柱基础 分项工程质量技术交底卡GD2301003 施工单位工程名称分部工程交底部位日 期 年 月 日交底内容一、施工...
绿城·千岛明月商住项目二期 11、17#楼人工挖孔桩桩芯砼浇灌方案一、工程概况本工程共计 77 根人工挖孔桩,砼强度等级为 C30,桩径共有...
地铁车站主体结构混凝土施工交底主体结构混凝土浇筑技术交底一、混凝土的运输(1)混凝土采取罐车运输至现场,现场泵送浇筑。拌混凝土自搅...
下载后可任意编辑楼板混凝土浇筑方案背景楼板混凝土浇筑是建筑施工的中重要环节之一。混凝土浇筑方案的合理性和施工的精细程度对混凝土工程...
贵州凯里至雷山高速公路 KLSGZ 标段摆底大桥上部结构现场浇筑目录一、编制依据..........................................................
山东省建设工程质量监督总站监制鲁 JJ-013工程名称施工单位分项工程名称大体积混凝土浇筑交底日期年月日交底内容:一、施工部署1、施工要...
技术交底书技术交底书表格编号项目名称第页共页交底编号工程名称设计文件图号施工部位预制梁混凝土浇筑交底地点交底日期交底负责人接受交底...
鄢陵南梁场预制梁混凝土浇筑技术交底书表格编号项目名称郑州至周口至阜阳铁路ZFZQ-2 标鄢陵南制梁场第页共页交底编号工程名称鄢陵南制梁场...
下载后可任意编辑混凝土浇筑劳务合同范本整理版甲方: 乙方: 签订地点: 签订时间: 合同编号: 下载后可任意编辑混凝土浇筑劳务合同...
-1-厂区建设项目大面编制人:审核人:审批人:xxxxxxxx 公司日期:年月日-2-第一章工程简介 3第二章大面积砼施工 4一、混凝土抗开裂施工技...
【 tips 】本文由李雪梅老师精心收编整理,同学们定要好好复习!连续梁桥悬臂浇筑法施工流程和要点分析一、悬臂浇筑法悬臂浇筑法又称挂篮...
连续梁 0#块混凝土浇筑方案新建铁路宁启线南通至启东段工程海门河特大桥( 40+72+40 ) m连续梁145 墩 0#块混凝土浇筑方案中铁十五局...
1 重庆市轨道交通总公司重庆市城市建设档案馆重庆市建设工程质量监督总站监制施工技术交底记录编号: 蔡家 - 06 轨道交通通用表-052工...
下载后可任意编辑基础筏板砼的专项浇筑方案及保证措施基础筏板砼是建筑施工中重要的一部分,需要进行专项浇筑方案和保证措施,以确保建筑物...
本表由施工单位填写并保存(一式三份。接受交底人一份、交底人一份、安全员一份)。编技术交底记录交底内容:坡屋面混凝土浇筑技术交底范围...
1DDDDDDDDDDDFuzhouConstructionEngineering(Group)GeneralCo.DDDDDDDDDDDDDDDDDDDDD福州建工集团FUZHOUCONSlRUCnONENGINEERINGGROUPDDDDA/...
凤凰汇.紫园一标段坡屋面混凝土浇筑方案江苏金贸建设集团有限公司坡屋面现浇混凝土施工专项方案、工程概况本工程位于盐城市城南新区戴庄路...

