巨 野 县 第 XX 届 全 民 健 身 运 动 会 首 届 佳 沃 自 行 车 “XXXX 杯”自 行 车 邀请赛活动 策划书 目录 ...
自 行 车 模 拟 骑 行 体验 VR 实景体验 解决方案 目 录 1. 项 目 概 述 ...............................................
自行车标准EN151942009
第二章 主要部件及材料选择 3.1 车架 是构成自行车的基体联接着自行车的其余各个部件并承受骑者的体重及自行车在行驶时经受各种震动和...
材料的常用知识 首先了解一下金属材料的常用语。 应力以及变形 (1).应力的定义=σ=负荷/断面积 (即:单位面积上所能承受的重量) 虽然...
自行车材料基础篇碳钢 碳钢 未故意添加任何合金元素的铁(Fe)--碳(C)合金为碳钢,碳在钢中有提高强度的作用 ,含碳量越高,强度越好...
自 行 车 攀 爬 训 练 教 程 -技 巧 篇 本 篇 介 绍 的 是 一 些 在 没 有 充 分 位 置 和 距 离 的 情 ...
自行车拆装方案
TRIACE 店铺服务标准 店铺服务定位: 超越传统意义的自行车专卖店, 打造自行车的6S 店, 为顾客提供喜出望外的购物体验, 让顾客有...
车种model 自行车 bicycle 折叠车 folding bicycle 避震车 suspension bicycle 城市车 city bicycle/CTB 山地车 mountain bi...
自行车目标市场调研与分析(报告) 1 自行车目标市场 调研与分析 (报告) 自行车目标市场调研与分析(报告) 2 目录 1 .概述 1 .1...
小萝莉儿童自行车安装使用说明书(上) 步骤1 :拆箱 拆箱后先将儿童自行车取出,前轮是用扎带固定在车架上的,用剪刀剪断扎带取下即可。...
前言: 不论装上多么高级的零件,轮胎对于行走还是产生最大的影响,单车外胎是单车非常重要的一个部件,决定着单车的基本性能,因此对于刚...
有关自行车的调查报告 — — 即 增 大 和 减 小 摩 擦 力 的 措 施 71006 黄 玮 晔 2 有 关 自 行 车 增 大 和...
• 自行車各部件英文 自行车 bicycle 赛车 racing bicycle 单轮脚踏车 uncycle 双座自行车 tandem bicycle 水上自行车 water...
序号 中文 英文 1 车架 Frame 2 前叉 Fork 3 前叉碗组 Head Sets 4 车把 Handlebar 5 立管 Stem 6 泥板 Mudguards 7...
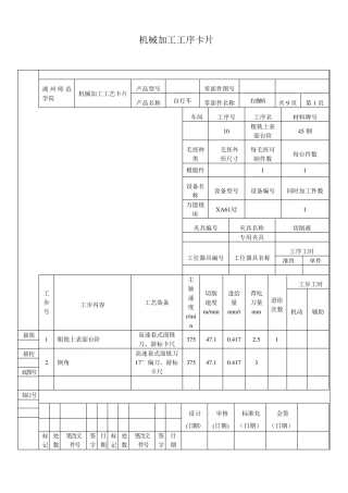
机械加工工序卡片 底图号 装订号 描校 描图 湖州师范学院 机械加工工艺卡片 产品型号 零部件图号 产品名称 自行车 零部件名称 ...
自行车右曲柄(课程设计)
[转帖]深圳峰大工厂自行车架生产过程[图] 转的,是深圳一家工厂,厂名没听说过,不过产品 MOSSO 品牌大家肯定熟悉咯 记得很早,墨儿有...
1 / 20 自 行 车 入 门 知 识 大 全 一 、自 行 车 的分类 .............................................................

