第二章刮板输送机第二节刮板输送机的结构特点及功能分析第三节链啮合传动原理第四节刮板输送机的选型计算第一节概述第一节概述一、刮板输送...
1DTII型固定式带式输送机使用说明书1.用途:DTII型固定式带式输送机(以下简称DTII型)由于输送量大、结构简单、维护方便、成本低、通用性...
SANAYO@山友重工LS螺旋输送机LSScrewConveyor使用说明书OPERATINGINSTRUCTION上海磊友成套机械设备有限公司ShanghaiLeiyouCompleteMachiner...
1/7国内外带式输送机技术的现状及差距2009-7-1218:33:281、国外带式输送机技术的现状2、国内皮带输送机机技术的现状3、国内外带式输送机技...
本科论文目录摘要.....................................................................................................................
设计题目:设计一链板式输送机传动装置一、传动简图的拟定.......................................3二、电动机的选择.......................
太原理工大学继续教育学院毕业论文(纸)摘要本次毕业设计是关于矿用固定式带式输送机的设计。首先对胶带输送机作了简单的概述;然后根据这...
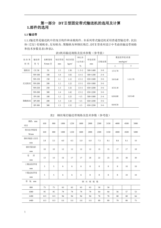
第一部分DTⅡ型固定带式输送机的选用及计算1.部件的选用1.1输送带1.1.1输送带是输送机中的曳引构件和承载构件。本系列带式输送机采用普通型...
矿用刮板输送机管理制度—、刮板运输机的安装1.刮板运输机安装达到“三平、三直、一稳、一齐全、一不漏、两不准”,即:三平:溜槽口要平,...
第1页共12页刮板输送机司机安全生产岗位责任制一、背景介绍随着我国煤矿、建筑等行业的发展,刮板输送机作为一种高效、节能的物料输送工具...
输送机司机交接班制度1、接班人员必须在现场交接班,做到班交班、手交手口交口交,你不来我不走。2、接班人员应提前半小时到达现场。3、交...
输送机操作工一、单选题1、滚筒驱动胶带输送机,胶带与驱动滚筒之间的传动方式为(B)。A、啮合传动B、摩擦传动C、滚动传动D、链传动2、强...
幻灯片1胶带输送机检修与维护主讲人:曹留柱幻灯片2胶带输送机检修与维护胶带输送机是目前井下巷道、矿井地面及选煤厂中广泛采用的一种连续...
序号工种持证上岗要求备注1钳工2由工持证上岗3焊工持证上岗4起重工持证上岗螺旋输送机安装工艺1.适用范围本工艺适用于水平和倾斜角小于20°...
螺旋输送机的倾角系数表和物料阻力系数及螺旋设计人员在对螺旋输送机的设计选型时与螺旋输送机倾斜布置时的倾角系数,物料的阻力系数有着直...
1矿用带式输送机汇总2Content目录产品介绍DTS、DTL通用固定带式输送机----------------------------------3DT(II)A型固定带式输送机-------...
山东科技大学学士学位论文毕业设计说明书摘要皮带输送机是现代散状物料连续运输的主要设备。随着工业和技术的发展,采用大运量、长距离、高...
步进输送机设计计算说明书姓名:学号:20091370班级:车辆七班指导老师:何朝明2012年6月1第1章问题的提出..................................
实用标准文案精彩文档无轴螺旋输送机产品选型实用标准文案精彩文档一.设备简介:无轴螺旋输送机是我公司根据建材、化工、电力、医药、冶金...
自动伸缩胶带输送机仓储与配送管理实训教程第二章第二章:自动伸缩胶带输送机2.2自动伸缩胶带输送机的操作2.3设备操作规程2.4设备维护保养2....

