螺旋输送机的倾角系数表和物料阻力系数及螺旋设计人员在对螺旋输送机的设计选型时与螺旋输送机倾斜布置时的倾角系数,物料的阻力系数有着直...
1矿用带式输送机汇总2Content目录产品介绍DTS、DTL通用固定带式输送机----------------------------------3DT(II)A型固定带式输送机-------...
山东科技大学学士学位论文毕业设计说明书摘要皮带输送机是现代散状物料连续运输的主要设备。随着工业和技术的发展,采用大运量、长距离、高...
步进输送机设计计算说明书姓名:学号:20091370班级:车辆七班指导老师:何朝明2012年6月1第1章问题的提出..................................
实用标准文案精彩文档无轴螺旋输送机产品选型实用标准文案精彩文档一.设备简介:无轴螺旋输送机是我公司根据建材、化工、电力、医药、冶金...
自动伸缩胶带输送机仓储与配送管理实训教程第二章第二章:自动伸缩胶带输送机2.2自动伸缩胶带输送机的操作2.3设备操作规程2.4设备维护保养2....
新疆焦煤(集团)焦煤公司2130煤矿副斜井胶带输送机高压变频器技术要求一、使用环境要求1、环境温度:-40℃~+40℃2、海拔高度:≤2500m3、...
2024年输送机岗位职责20篇目录刮板、皮带输送机司机岗位职责1、输送机司机对所属范围内的所有工作负全面责任。2、输送机司机必须经过正规培...
第1页共4页2024年普通胶带输送机安全运行规定第一章总则第一条为了保障普通胶带输送机的安全运行,维护生产环境和员工安全,根据《安全生产...
皮带输送机的设计计算1总体方案设计1.1皮带输送机的组成皮带输送机主要由以下部件组成:头架、驱动装置、传动滚筒、尾架、托辊、中间架、尾...
毕业设计(论文)目录摘要.............................................................................................................
机械设计课程设计机械设计课程设计说明书目录1设计任务书................................................................................
安徽三联学院课程设计1课程设计说明书课程名称:机械设计课程设计指导设计题目:带式输送机传动设计专业:安全工程班级:11级安全工程(1)...
-1-/26设计项目计算及说明主要结果一、确定传动方案二、选择电动机(1)选择电动机机械传动装置一般由原动机、传动装置、工作机和机架四部...
1带式输送机的选型计算1.1设计的原始数据与工作环境条件(1)工作地点为工作面的皮带顺槽(2)装煤点的运输生产率,0Q=836.2(吨/时);(3...
设计题目:用于带式运输机的减速器设计学院名称:专业:班级:姓名:学号:指导教师姓名:《机械设计》课程设计说明书机械设计课程设计1目...
机械设计课程设计计算说明书设计题目:带式输送机的传动装置机械设计及其自动化专业2013年七月十一号西北工业大学一.题目...................
目录第一部分设计任务书⋯⋯⋯⋯⋯⋯⋯⋯⋯⋯⋯⋯⋯⋯⋯⋯⋯⋯⋯⋯⋯⋯⋯⋯⋯1第二部分传动方案分析⋯⋯⋯⋯⋯⋯⋯⋯⋯⋯⋯⋯⋯⋯⋯⋯⋯⋯...
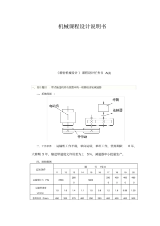
机械课程设计说明书《精密机械设计》课程设计任务书A(3)一、设计题目:带式输送机传动装置中的一级圆柱齿轮减速器二、系统简图:三、工作条...
关于胶带输送机的安装第一章一.安装顺序:1.划中心线;确定胶带机的中心线,驱动装置的中心线,准备必要的检测工具:经纬仪、光学水准仪、...

