T 桖类服用纤维的应用调查报告服装名称 性别品牌用途/季节原料名称(服装的成分)感官真丝 T 桖女优衣库百搭或打底/春夏100%桑蚕丝...
精品文档---下载后可任意编辑应有格物致知精神同步练习题及答案 篇一:九年级语文应有格物致知精神同步练习题 1 应有格物致知精神练习 ...
下载后可任意编辑2024 年应有格物致知精神反思总结之前,学生已学过讲读课文《事物的正确答案不止一个》,已有一定的基础。另外学习小组由...
下载后可任意编辑电梯应有哪些电梯安全装置为了防止由于电梯损坏或驾驶人员操作不当而发生事故,按国家有关规定,电梯都应装以下必要的安全...
下载后可任意编辑材料质量证明书和标记一般应有哪些内容?压力容器和锅炉采纳国外材料,有何要求?材料质量证明书上一般应有以下内容:炉(...
下载后可任意编辑小学老师应有“全科”教学的意识小学老师应有“全科”教学的意识 摘 要:生活中的知识往往是融合在一起的。小学生对世界...
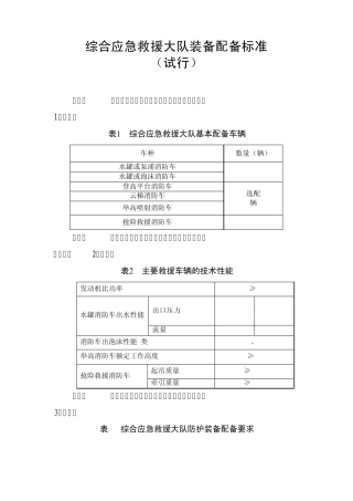
综合应急救援大队装备配备标准 (试行) 第一条 综合应急救援大队基本配备车辆,不应低于表1的规定。 表1 综合应急救援大队基本配备车...
下载后可任意编辑老师应有高尚师德老师应有高尚的师德? 竹溪县老师进修学校李文森 老师高尚的师德是树立形象的基本条件。塑灵魂还需灵魂...
下载后可任意编辑小学老师应有“全科”教学的意识小学老师应有“全科”教学的意识 摘 要:生活中的知识往往是融合在一起的。小学生对世界...
实验室风险评估报告(Evaluating Record for Biohazard of Laboratory)评估日期 (Date): 一 、 参加成员:成员姓名 (Name)签 名...
教 师 应 有 一 颗 敬 畏 之心精品文档收集于网络,如有侵权请联系管理员删除教师应有一颗敬畏之心《增广贤文》里说:“人间私语,...
下载后可任意编辑办公室事务管理作者:王玉霞著出版社:清华大学 出版时间:2024.07本书根据秘书办公室事务管理工作的开展及企业秘书行政...
1 / 10 14 应有格物致知精神(教材通解及同步练习)湖北省鄂州市一中杨 芳一 课题全解1.作者简介丁肇中,美籍华裔物理学家。中国科...
13. 应有格物致知精神【教学目标】 1. 了解“格物致知”的真正含义及其对于学习科学知识的重要性,从整体上把握文章内容。 2. 理解本...
基础训练一、解释下面的词语1 .格物2 .致知3 .袖手旁观4 .不知所措5 .彷徨二、 阅读 6 — 13 段,回答问题1 .给这几段划...
基础训练一、解释下面的词语1.格物2.致知3.袖手旁观4.不知所措5.彷徨二、 阅读 6— 13 段,回答问题1.给这几段划分层次⑥ ⑦ ...
语文学科校本作业第 14 课应有格物致知精神班级:座号:姓名:(完成本作业用时:40 分钟)【语言基础练习】1.请你给下边词语中加点的...
DOI:10.14125/j.cnki.zjsy.2012.05.019
保先教育体会共产党员应有坚定的政治信仰 大家都知道,每个国家都有不同的政党,而且现在意义上的政党其实已经产生三百多年了,三百年来,...
【活动反思】教师应拥有阳光心态宝鸡市高新区潘溪镇双基堡小学 尹小刚对于任何教师而言,心态决定着他的幸福。幸福的心态应该是阳光般的。...

