特种设备检验检测机构核准规则TSG Z7001-2004(修改)[2009] 【颁布单位】中华人民共和国国家质量监督检验检疫总局 【发 文 号】国家...
XX 省技术改造投资项目核准申请报告东莞优赛科创公司 附件 1-3 2015 年 XX 省省级企业技术改造资金项目扩产增效方向(股权投资)申...
关于 XX 公司 XX 项目申请核准的请示(1) xxx 字【20xx】 x 号 xxxxxx 有限公司 关于 xx 市 xx 县 xxxx 水电站工程 申请...
网上申请企业名称预先核准告知书(重庆) 网上申请企业名称预先核准告知书 申请人:陈渊玮 预先核准企业名称:重庆领港贸易有限公司网上申...
关于 XX 公司 XX 项目申请核准的请示 汇众金融是家金融性集团公司,现有小额贷款公司、担保公司、典当行等金融性企业,这些公司的全套...
下载后可任意编辑附件5:农药生产企业核准及延续核准现场考核要求1.主管部门要制定考核的基本程序和制度2.要组织一支有专业特点、熟悉情...
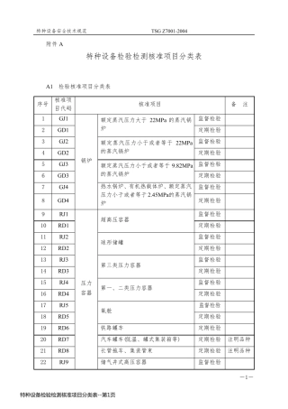
特种设备安全技术规范 TSG Z7001-2004 -1- 附件A 特种设备检验检测核准项目分类表 A1 检验核准项目分类表 序号 核准项目代码 ...
企业报送项目申请报告核准 1 企业报送项目申请报告核准 《国务院关于投资体制改革的决定》中明确,政府对企业提交的项目申请报告,主要...
5 0 申请类 1 .1 (共2 页) 农民专业合作社名称预先核准申请书 申请名称 备选名称(请选用不同的字号) 1. 2. 业务范围 住所...
养老保险退休核准计算程序操作手册
临床化学中的干扰实验 核准的指导原则——第二版 1. 概览 本文件用于以下两个目的: 1) 通过提供科学有效的实验设计,指定待检测的相...
XX 省风景名胜区建设项目选址核准和规划建筑方案审查暂行办法 XX 市民用建筑建设项目节能评估和审查 管理办法 (市建委二○一一年一月...
外商投资项目核准制度 XX 省外商投资项目核准暂行办法 (辽发改发[2005]1098 号) 第一章总则 第一条为规范外商投资项目的管理,根据...
附件1 浙江省企业投资项目核准和备案暂行办法 省 发 改 委 (二○○五年九月一日) 第一章 总 则 第一条 为确立企业投资主体地...
1 浙江省企业投资项目核准目录 简要说明 (一)本目录根据国务院颁布的《政府核准的投资项目目录(2004年本)》(以下简称国家《目录》...
附件一天津市新设立物业管理企业资质等级核准程序为贯彻落实国务院《物业管理条例》和《天津市物业管理条例》及《物业管理企业资质管理办法...
核准编号:___________金融企业资产评估项目核准表报送企业名称 (盖章): 报送企业负责人(签字): 资产占有企业名称 (盖章): ...
北京市退休核准系统企业版 操作手册(非卖品)北京北控伟仕软件软件工程技术有限公司2010 年 07 月目 录前言...........................
农药生产批准证书申请表产品名称:生产方式:□原药 □加工 □复配 □分装发证类型:□发证 □换证考 核:□是 □免企业名称:通讯地...
经办人佥名:xxx11申请类(共 2 页)农民专业合作社名称预先核准申请书申请名称天津市 XX 蔬菜种植专业合作社备选名称(请选用不同的字...

