线路测控屏遥控分合闸回路a2c64]334]34VVVKKJSJV1SHJVSTJcV2實五防21CD1423S町21CD20103三相合闸回路133三相跳闸回路;+KM21CD1■炉21CD4-0...
基本二次回路第一节电流与电压回路电流回路端子箱端子排图2.1以一组保护用电流回路(图)为例,结合上一章的编号,相第一个绕组头端与尾端...
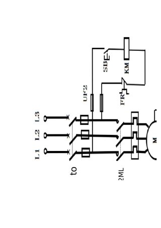
电机基本控制回路一、各元件作用1、断路器QF低压断路器从总体来说就是接通和断开电流的作用。一般断路器具有过流保护和短路保护;增加欠压...
操作回路的几个基本概念(南瑞的培训材料)从某种意义上讲,电力系统是一门较“传统”的技术。发展到现在,其原理本身并没有象通讯领域那样...
第22单元课:气动基本回路、气动常用回路授课班级授课周次11-2上课日期上课时间单元学时2上课地点教研室主任审核教学目标能力目标知识目标...
ML52toJCFUFHKMHRBL・L帖Lw三相异步电动机〔互锁正反轻1电气偉理图L1L3LIL2L3三相电动机异地启动控制回路图FR甲mi电丸箱琛閘册图歌用一番校...
箱变二次回路介绍Documentnumber:PBGCG-0857-BTDO-0089-PTT199835KV箱变二次回路介绍及保护定值整定箱变型号:S11-M-1600KVA35+2*%/(无载调...
二次回路的接线图RevisedbyPetrelat2021第六第二节二次回路的接线图电力系统的二次回路是个非常复杂的系统。为便于设计、制造、安装、调试...
第1页共8页编号:时间:2021年x月x日书山有路勤为径,学海无涯苦作舟页码:第1页共8页中煤第五建设有限公司第一工程处李村项目部主井、风井...
更多企业学院:《中小企业管理全能版》183套讲座+89700份资料《总经理、高层管理》49套讲座+16388份资料《中层管理学院》46套讲座+6020份...
都匀供电局规范化验收文档UFV自动装置及二次回路验收文档批准:生技部审核:审核:初审:编写:站名:第1页共8页编号:时间:2021年x月x日...
断路器控制回路原理图解一次设备是指直接用于生产、输送、分配电能的电器设备,包括发电机、电力变压器、断路器、隔离开关、母线、电力电缆...
母线电压切换回路课件CONTENTS•母线电压切换回路概述•母线电压切换回路的结构与组成•母线电压切换回路的控制原理•母线电压切换回路的运...
高压二次回路详解课件目录•高压二次回路概述•高压二次回路的基本元件•高压二次回路的接线方式•高压二次回路的保护功能•高压二次回路的...
•电气二次回路概述•电气二次回路基础知识•电气二次回路的工作原理•电气二次回路的故障诊断与处理•电气二次回路的设计与优化•实践操作...
•遥控制导与控制回路概述•遥控制导系统•控制回路系统•遥控制导与控制回路的结合与应用•遥控制导与控制回路的设计与实现•遥控制导与控...
欧拉路径和欧拉回路课件•欧拉路径•欧拉回路CONTENCT录•欧拉路径和欧拉回路的比较•欧拉路径和欧拉回路的扩展•结论与展望01引言定义与概...
保二次回路例•二次回路述•二次回路的•二次回路的行•二次回路的展01保二次回路述定义与作用定义继电保护二次回路是电力系统中的一套辅助...
换向阀与换向回路课件•换向阀的结构与特点•换向回路的基本概念CONTENCT录01换向阀概述换向阀的定义和作用定义换向阀是一种控制阀,用于改...
麻醉机内呼吸回路消毒及灭菌指导护理课件•麻醉机内呼吸回路消毒及灭菌的重要•护理人员在消毒及灭菌中的职责与要CHAPTER01麻醉机内呼吸回...

