电脑桌面
添加小米粒文库到电脑桌面
安装后可以在桌面快捷访问

电气最基本控制回路图VIP免费

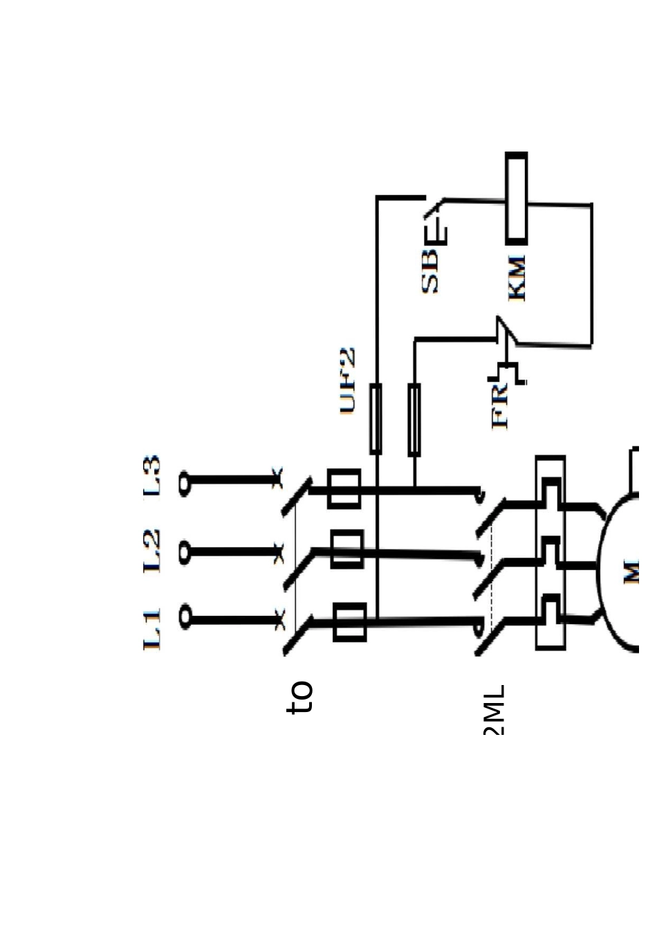
电气最基本控制回路图_第1页
1/15
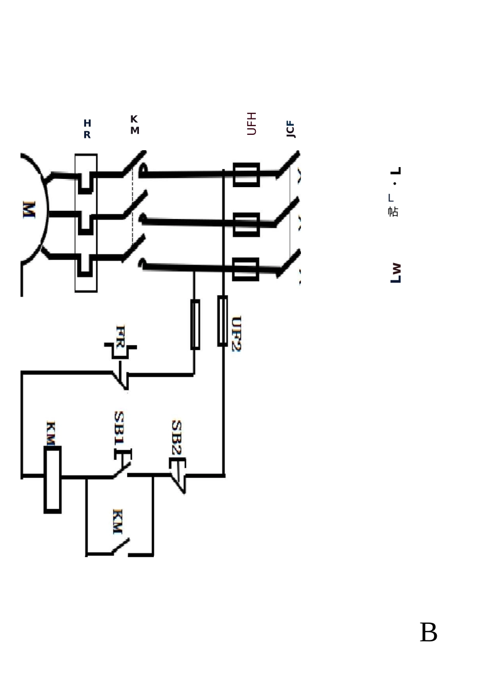
电气最基本控制回路图_第2页
2/15
电气最基本控制回路图_第3页
3/15
ML52toJCFUFHKMHRBL・L帖Lw三相异步电动机〔互锁正反轻1电气偉理图L1L3LIL2L3三相电动机异地启动控制回路图FR甲mi电丸箱琛閘册图歌用一番校制箱污水泵(一用一备)电气原理图[|31AEcH1UIVIff2U2V2N0001电涌尊耳电机躊电机浮球开关ALBCJJJ点动葫芦电气原理图FUSB1DILnizr~ASB4EMamIEIEnME7™点动葫芦电气原理图JM3T帮升降电动机及肌气制动吊钩水平移动电动机控*1吊钧祈降控制平移上升下障向前向岳上升下降向前向后uri2X73X64X95XB2Xx3XX*XX5XX23X4X5123455789¥1三相异步电幼机的△接法r—TU-C接地系画厂1电眸・L!O134FHTfTT接地系统:电矗端有-頭按按理帖翳制詞强㈱冒騁地.昨地黠帖上竝二竝和接順IT接地系IPE0TIPS接地系绕:整个系绕的中性导体和保护导体是分幵的11□fisoa*七!电I—卄窑可心描盟a整个系统的中性导体和保护导体是合一的TH-C-S接地系统:系统中一部分线踣的中性导体和尿护导体是合L单联单控比双联单控(多4-取联双控KNoII03•单联双控LO/”KIK2No柘展多联Loj/「Iz(&K2K拓展參灯話展參

1、当您付费下载文档后,您只拥有了使用权限,并不意味着购买了版权,文档只能用于自身使用,不得用于其他商业用途(如 [转卖]进行直接盈利或[编辑后售卖]进行间接盈利)。
2、本站所有内容均由合作方或网友上传,本站不对文档的完整性、权威性及其观点立场正确性做任何保证或承诺!文档内容仅供研究参考,付费前请自行鉴别。
3、如文档内容存在违规,或者侵犯商业秘密、侵犯著作权等,请点击“违规举报”。

碎片内容

电气最基本控制回路图

确认删除?
VIP
微信客服
  • 扫码咨询
会员Q群
  • 会员专属群点击这里加入QQ群
客服邮箱
回到顶部