精品文档---下载后可任意编辑RC 框架剪力墙结构侧移刚度退化的静力弹塑性分析的开题报告一、讨论背景和目的钢筋混凝土框架剪力墙结构是一...
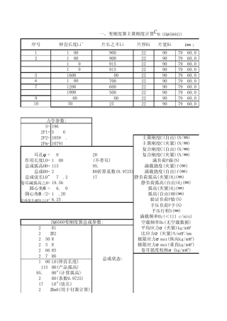
序号伸直长度Li'片长之半Li片厚Hi片宽BiJi(mm4)11800900229079860.021800900229079860.031830915229079860.041830915229079860.05160080022...
精品文档---下载后可任意编辑LMG 制造误差和沟槽结构对静刚度影响的讨论的开题报告一、选题背景:振动控制技术在工业领域中扮演着重要的角...
精品文档---下载后可任意编辑GQ1070 轻小龙门加工中心静刚度分析的开题报告一、课题背景GQ1070 轻小龙门加工中心是一种高效的加工设备,...
精品文档---下载后可任意编辑CRH3 型动车组车体刚度有限元分析的开题报告一、选题背景和意义随着高速铁路建设的不断推动,动车组作为高速...
精品文档---下载后可任意编辑CFRP 板加固钢梁刚度及界面性能试验讨论的开题报告Title: Experimental Research on Stiffness and Int...
精品文档---下载后可任意编辑AlSiC 高刚度轻体材料制备和表征的开题报告一、讨论背景随着现代工业技术和高科技产品的进展,对于轻质、高刚...
精品文档---下载后可任意编辑6R 工业机器人刚度建模及其应用讨论的开题报告一、讨论背景随着工业自动化程度的不断提高和智能制造的兴起,...
精品文档---下载后可任意编辑4TPS-PS 并联机构的刚度性能分析及优化的开题报告开题报告一、讨论背景与意义随着机器人技术在工业、医疗等领...
精品文档---下载后可任意编辑3PUS-S(P)变胞并联机构的静刚度分析的开题报告一、选题及意义在机械设计中,变胞并联机构是一种能够完成复杂运...
精品文档---下载后可任意编辑3-UPUUPU 并联机构刚度求解与优化的开题报告1. 讨论目的UPU 并联机构被广泛应用于机器人领域,其具有结构简...
《结构软件学而思上册》斜撑——侧向刚度的骨干分子
弹性(杨氏)模量、剪切模量、体积模量、强度、刚度“模量”可以理解为是一种标准量或指标。材料的“模量”一般前面要加说明语,如弹性模量...
Abaqus在大型轧机刚度分析中的应用
7.4 单元刚度矩阵组装及整体分析 7 .4 .1 单刚组装形成总刚 根据全结构的平衡方程可知,总体刚度矩阵是由单元刚度矩阵集合而成的.如...
1 第三节 刚度矩阵 ——节点载荷与节点位移之间的关系 一、 单元刚度矩阵 1. 单元刚度矩阵 xiRyiRxjRyjRxmRymRijmxy 单元 e 是...
1一、台车的主体结构图………………………………………………………2二、台车模板的校核分析・3三、台车架子的校核分析 11某隧道模板台车...
QC T 494-1999 汽车前轴 刚度试验方法QC/T 494—1999汽车前轴刚度试验方法代替 JB 4230—86本标准适用于公路及城市道路用汽车的整体...
弹簧应力刚度计算表
序 号代 号长度(L)弹簧外径(A) 弹簧中径(D)弹簧丝径(d) 总圈数(N)有效圈数(n)切变模量(G) 刚度(K)材 料192163.05790219.281.26.55717...

