第1页共36页编号:时间:2021年x月x日书山有路勤为径,学海无涯苦作舟页码:第1页共36页目录引言...........................................
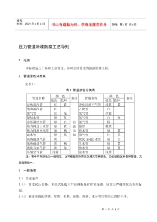
第1页共8页编号:时间:2021年x月x日书山有路勤为径,学海无涯苦作舟页码:第1页共8页压力管道涂漆防腐工艺导则1范围本标准适用于各种工业...
第1页共182页编号:时间:2021年x月x日书山有路勤为径,学海无涯苦作舟页码:第1页共182页4压力管道设计(工业管道、公用管道)工业管道、...
第1页共9页编号:时间:2021年x月x日书山有路勤为径,学海无涯苦作舟页码:第1页共9页压力管道安装告知书施工单位:管道类别:施工类别:告...
存、产品存放的库房、场地,生产管理的办公条件;(二)有适应生产需要的专业技术人员、检验人员和技术工人;(三)有适应产品生产需要,并且能...
第1页共8页编号:时间:2021年x月x日书山有路勤为径,学海无涯苦作舟页码:第1页共8页力及压力单位的简易换算:/^"c*]1b3x,z#U&J!R3y#X力...
第1页共10页编号:时间:2021年x月x日书山有路勤为径,学海无涯苦作舟页码:第1页共10页浙江贝托阀门有限公司作业指导书文件名称:产品压力...
第1页共9页编号:时间:2021年x月x日书山有路勤为径,学海无涯苦作舟页码:第1页共9页2005年中国经理人压力状况调查2003年,《财富》(中文...
第1页共19页编号:时间:2021年x月x日书山有路勤为径,学海无涯苦作舟页码:第1页共19页前言传感器技术在当代科技领域占有十分重要的地位。...
第1页共22页编号:时间:2021年x月x日书山有路勤为径,学海无涯苦作舟页码:第1页共22页中国应如何应对人民币升值压力内容摘要:首先提出人...
第1页共9页编号:时间:2021年x月x日书山有路勤为径,学海无涯苦作舟页码:第1页共9页关于颁发《压力管道安装单位资格认可实施细则》的通知...
第1页共6页编号:时间:2021年x月x日书山有路勤为径,学海无涯苦作舟页码:第1页共6页山水.阳光城楼局部压力灌浆地基处理施工组织方案一、...
第1页共72页编号:时间:2021年x月x日书山有路勤为径,学海无涯苦作舟页码:第1页共72页Parker比例压力控制阀传统的立式轴流泵相比,其使用...
第1页共37页编号:时间:2021年x月x日书山有路勤为径,学海无涯苦作舟页码:第1页共37页目录引言...........................................
第1页共29页编号:时间:2021年x月x日书山有路勤为径,学海无涯苦作舟页码:第1页共29页压力试验机控制系统V3.0使用说明书第2页共29页编号...
第1页共15页编号:时间:2021年x月x日书山有路勤为径,学海无涯苦作舟页码:第1页共15页在用工业管道定期检验规程(试行)第一章总则第一条为...
第1页共17页编号:时间:2021年x月x日书山有路勤为径,学海无涯苦作舟页码:第1页共17页压力及预防性压力管理对于压力的理解在当今的组织中...
外旋翼内流压力筛ZSL400-800产品说明书杭州华业造纸机械有限公司第1页共9页编号:时间:2021年x月x日书山有路勤为径,学海无涯苦作舟页码:...
第1页共23页编号:时间:2021年x月x日书山有路勤为径,学海无涯苦作舟页码:第1页共23页一、工程概况1.1、工程简介位于江苏启东开发区林洋...
第1页共7页编号:时间:2021年x月x日书山有路勤为径,学海无涯苦作舟页码:第1页共7页第三节工作压力紧张及其缓解一、压力紧张概述(jobstr...

