下载后可任意编辑合法的保证借款合同样本甲方: 乙方: 签订地点: 签订时间: 合同编号: 下载后可任意编辑合法的保证借款合同样本 ...
乾新昌吉木垒老君庙风电场一期49.5MW工程工程质量、进度、安全保 证 措 施中电环能电力建设有限公司2014 年 12 月 11 日- 1 - ...
武汉地铁六号线二期第三标段质量管理体系及质量保证措施编制:复核:审批:中铁五局集团武汉地铁6 号线二期第三标段项目部2017 年 9 月...
质量目标及保证措施工 程 名 称 : 宁 天 城 际 一 期 工 程 高 架 车 站 外 幕 墙 工 程 施(NTCJ-MQ-01标)施工单...
【 tips 】本文由李雪梅老师精心收编整理,同学们定要好好复习!质量检测是工程质量监督的重要技术保证工程质量检测发展的几个特点1. 质...
质量标准、目标及保证措施一、质量目标根据我公司的技术实力, 结合本工程的具体情况, 严格我公司质量、环境、职业健康安全管理体系(QE...
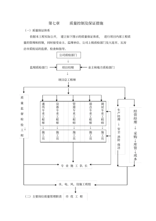
第七章质量控制及保证措施(一)质量保证体系依据本工程实际公开, 建立如下图示的质量保证体系, 进行项目内部工程质量的管理和控制,同...
。。1 质量承诺及保证措施第一节 质量目标及承诺1.1 、质量目标验收合格。1.2 、违约处罚措施1.2.1 、工程验收严格执行建设部颁发的质...
. . 质量承诺及保证措施第一节质量保证及违约责任承诺一、质量保证若我公司中标,我公司承诺:工程质量符合设计文件要求,执行《建设工程...
一、质量承诺及保证措施工程质量承诺: 一次性验收合格。本工程将严格执行IS09001:2000 国际质量标准, 认真按照我公司的 《质量手册》...
质量控制措施第一节质量保证体系及措施一、质量目标1、确保工程一次交验合格。2、满足规定的需要和用途,在确保安全生产的前提下,加强综合...
。。1 质量控制措施第一节质量保证体系及措施一、质量目标1、确保工程一次交验合格。2、满足规定的需要和用途,在确保安全生产的前提下,...
. . 质量管理体系与措施一、本工程质量目标工程质量目标;符合国家现行《工程施工质量验收规范》合格标准及工程检验评定标准。为确保本工...
第一节质量保证体系及保证措施质量就是企业的生命。为保证公司的发展和壮大, 公司建立了具有特色的适应总承包管理发展的质量管理体系,并...
1. 质量保证措施2. 工期保证措施 . 3. 安全保证措施4. 文明施工措施5. 环境保证措施1. 质量保证措施1.1 质量管理模式质量管理体系...
WORD 格式整理版优质 .参考 .资料质量、安全、成本和进度控制保证措施一、确保工程质量的技术组织措施(一)施工项目质量控制措施1、施...
安全施工组织设计工程概况薛家湾湖东新村B 区 6#楼位于准旗薛家湾,由陕西关中建筑公司承建,总面积为3210 ㎡为砖混结构。质量为本,安...
荷花苑还建小区(二期)工程1#、2#、7#、12#、18#、19#楼监理质量保证体系及保证措施项目监理机构(章):专业监理工程师:总监理工程师:...
、农民工工资按期支付保证措施()加强对劳动合同的管理,工程开工后日内向当地劳动保障部门进行用工备案,按《劳动法》签订规范的劳动合同...
下载后可任意编辑反担保保证合同范本 甲方: 乙方: 签订地点: 签订时间: 合同编号: 下载后可任意编辑担保人:_______住宅:_____...

