电脑桌面
添加小米粒文库到电脑桌面
安装后可以在桌面快捷访问

监理质量保证体系及保证措施

监理质量保证体系及保证措施_第1页
1/15
监理质量保证体系及保证措施_第2页
2/15
监理质量保证体系及保证措施_第3页
3/15
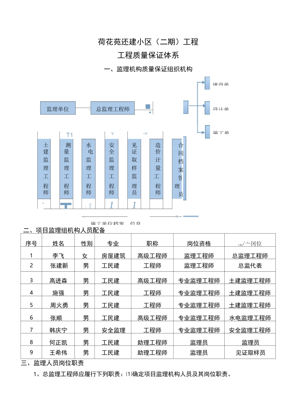
荷花苑还建小区(二期)工程1#、2#、7#、12#、18#、19#楼监理质量保证体系及保证措施项目监理机构(章):专业监理工程师:总监理工程师:技术负责人:日期:2014 年 8 月 26 日 一、监理机构质量保证组织机构 3二、项目监理组机构人员配备 3三、监理人员岗位职责 4四、质量控制原则 7五、质量控制的监理工作依据、任务及目标 8六、质量控制程序 9七、质量控制监理措施 10八、收集、整理质量保证检查资料 15九、公司考核制度 16监理单位4 总监理工程师■F■T1V+V土测水安见造合建量电全证价同监监监监取计档理理理理样量案工工工工监工管程程程程理程理师师师师员师员1 T1『11k仃荷花苑还建小区(二期)工程工程质量保证体系一、监理机构质量保证组织机构二、项目监理组机构人员配备序号姓名性别专业职称岗位资格I-JU/亠冈位1李飞女房屋建筑高级工程师监理工程师总监理工程师2张建新男工民建工程师监理工程师总监代表3高进森男工民建高级工程师专业监理工程师土建监理工程师4施强男工民建工程师专业监理工程师土建监理工程师5周火勇男工民建工程师专业监理工程师土建监理工程师6张顺男工民建高级工程师专业监理工程师水电监理工程师7韩庆宁男安全监理工程师专业监理工程师安全监理工程师8何正凯男工民建助理工程师监理员监理员9王希伟男工民建助理工程师监理员见证取样员三、监理人员岗位职责1、总监理工程师应履行下列职责:⑴确定项目监理机构人员及其岗位职责。施工单位档案、信息建设单设计单施工单⑵ 组织编制监理规划,审批监理实施细则。⑶ 根据工程进展及监理工作情况调配监理人员,检查监理人员工作。⑷组织召开监理例会。⑸ 组织审核分包单位资格。⑹ 组织审查施工组织设计/(专项)施工方案。⑺ 审查开复工报审表,签发工程开工令、暂停令和复工令。⑻ 组织检查施工单位现场质量、安全生产管理体系的建立及运行情况。⑼ 组织审核施工单位的付款申请,签发工程款支付证书,组织审核竣工结算。⑽组织审查和处理工程变更。(11)调解建设单位与施工单位的合同争议,处理工程索赔。(12)组织验收分部工程,组织审查单位工程质量检验资料。(13)审查施工单位的竣工申请,组织工程竣工预验收,组织编写工程质量评估报告,参与工程竣工验收。(⑷参与或配合工程质量安全事故的调查和处理。(15)组织编写监理月报、监理工作总结,组织整理监理文件资料。2、总监理工程师不得将下列工作委托给总监理工程师代表:⑴ ...

1、当您付费下载文档后,您只拥有了使用权限,并不意味着购买了版权,文档只能用于自身使用,不得用于其他商业用途(如 [转卖]进行直接盈利或[编辑后售卖]进行间接盈利)。
2、本站所有内容均由合作方或网友上传,本站不对文档的完整性、权威性及其观点立场正确性做任何保证或承诺!文档内容仅供研究参考,付费前请自行鉴别。
3、如文档内容存在违规,或者侵犯商业秘密、侵犯著作权等,请点击“违规举报”。

碎片内容

监理质量保证体系及保证措施

wxg+ 关注
实名认证
内容提供者

该用户很懒,什么也没介绍

确认删除?
VIP
微信客服
  • 扫码咨询
会员Q群
  • 会员专属群点击这里加入QQ群
客服邮箱
回到顶部