洛 氏 硬 度 ( HRC)、 布 氏 硬 度 ( HB) 等 硬 度 对 照 区 别 和 换 算 洛 氏 硬 度 ( HRC) 、 布 ...
百度文库- 让每个人平等地提升自我11 实验十二水硬度的测定一 实验目的1、了解硬度的常用表示方法;2、学会用配位滴定法测定水中钙镁含...
实验一材料的硬度测试一、 实验目的掌握布、洛、维三种硬度的原理和测试方法。掌握显微镜硬度的测试方法及原理。给定各种状态的材料选择适...
百度文库1 实验六 自来水总硬度的测定一、实验目的1、学习络合滴定的原理及其应用2、初步掌握 EDTA 标准溶液的配制、标定及稀释3、掌握...
普氏系数是单轴抗压强度除以10 极硬(f=20)、 很硬(f=15)、 坚硬(f=8~10)、 较硬(f=5~6)、 普通(f=3~4)、 较软(f...
1 实验八 显微硬度的测定方法与设备 一.实验目的 熟悉显微硬度试验方法和显微硬度计的使用方法 二.显微硬度的基本概念 “硬度”是...
洛氏硬度洛氏硬度表面洛氏硬度表面洛氏硬度表面洛氏硬度 维氏硬度布氏硬度布氏硬度HRCHRAHR15NHR30NHR45NHVHB30D2d10、2d5、4d2.5mm11767....
欢迎阅读一.实验目的1.掌握测定水的总硬度的方和和条件;2.掌握掩蔽干扰离子的条件和方法。二.实验原理水的总硬度是指水中镁盐和钙盐的...
1 机械工程材料实验指导书红河学院机械系2 实验一硬度实验【实验目的】1.进一步加深对硬度概念的理解。2.了解布氏、洛氏硬度计的构造和...
洛氏硬度( HRC)、布氏硬度(HB)等硬度对照区别和换算洛氏硬度( HRC )、布氏硬度(HB )等硬度对照区别和换算硬度是衡量材料软硬程...
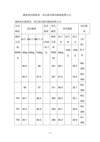
1 / 5 硬度单位换算表,布氏洛氏维氏硬度换算公式硬度单位换算表,布氏洛氏维氏硬度换算公式布氏硬度洛氏硬度抗拉强度布氏硬度洛氏硬度...
一、硬度与抗拉强度的关系当钢的硬度在500HB 以下时,其抗拉强度与硬度成正比,kg/m ㎡(óB)=1/3 X HB= X HRC= X HS, 但上述关...
硅橡胶产品硬度检验规范编制:雷海兵 2012-4-26 审核:批准:受控状态:执 有 者:1. 目的明确检查员硬度检测方法,避免因方法不当造...
矿石硬度大全矿物名称分子式主要元素或氧化物莫氏硬度名 称含量 %铁Fe Fe 100.0 4.5 磁铁矿Fe3O4Fe 72.4 5.5~6.5 赤铁矿Fe2O3Fe...
下载后可任意编辑据德国标准 DIN50150,以下是常见范围的钢材抗拉强度与维氏硬度、 布氏硬度、 洛氏硬度的对比表。假如您要查的抗拉强度>...
国 家 标 准 硬 度 转 换 表 里氏H L D 洛氏H R C 洛氏H R B 维氏H V 布 氏H B [ 1 ] 布 氏H B [ 2 ] 肖...
国家标准硬度HLD/HRC/HRB/HV/HB/HSD转换换算表
序号中 国日 本NO.CHINAJAPANGB1220JISANSI2. 1Cr17Ni7SUS3013013. 1Cr18Ni9SUS3023024. 0Cr18Ni9SUS3043045. 00Cr19Ni10SUS304L3046...
序号中 国日 本NO.CHINAJAPANGB1220JISANSI2. 1Cr17Ni7SUS3013013. 1Cr18Ni9SUS3023024. 0Cr18Ni9SUS3043045. 00Cr19Ni10SUS304L3046...
25-3030-3535-4040-4545-5050-5555-60130350300200<160235(甲)520460420350290<170340(甲)540490430370310<200445(甲)55052045038...

