LED 升压、升降压的驱动恒流 IC 推荐一 宝剑锋从磨砺出,梅花香自苦寒来;此句是中国流传下来的一句古训,喻为如果想要取得成绩,获取...
1/0版本编制/日期审核/日期部门/单位会签/日期部门/单位同意/日期江西大唐国际沙岭风电场升压站调试方案(作业指导书)No: 发 布: 中国...
下载后可任意编辑冬期施工方案一、 工程概况及特点:1、工程概况 1. 1 站区地理位置甘南龙旸 110kV 升压站新建工程位于甘南县西部甘...
下载后可任意编辑本页为作品封面,下载后可以自由编辑删除,欢迎下载!!! 精 品文档1【精品 word 文档、可以自由编辑!】220kV 升压...
目 录一 、 编 制 依 据 ............................................3二 、 项 目 简 介 ..................................
下载后可任意编辑7 施工组织措施7.1 本工程施工方案及施工组织设计7.1.1 施工组织设计编制依据河北国华定洲发电厂一期工程《升压站建筑...
海阳风电场一期 49.5MW 工程 升压站 施 工 组 织 设 计编制单位:(章)批 准: 年 月 日审 核: 年 月 日编 制: 年 ...
下载后可任意编辑分部工程序号标准条文检查控制措施执行时间执行人检查时间检查人落实情况备注35KV、10KV 断路器、GIS 开关一《电气装置...
下载后可任意编辑大唐浑源泽清岭风电场一期220kV升压站工程施1下载后可任意编辑工组织设计山西吉通电力进展有限公司二零一二年二月大唐浑源...
XXXX 风电一期工程(49.3MW)建设工程监理实施细则现行版本A修改状态0 XX 监理有限公司XXXX**风电一期工程项目监理部XXXX 年 XX 月 ...
下载后可任意编辑华润电力(常熟)有限公司 3×650MW 检修工程500kv 升压站及 2 号主变厂高变施工安全措施批准:日期: 审核:日期:...
宁夏大唐国际新庄集乡(原南川)150MW 风电项目预制舱式升压站工程 施工组织设计 中电建宁夏工程有限公司 宁夏大唐国际新庄集乡(原南...
1/0版本编制/日期审核/日期部门/单位会签/日期部门/单位同意/日期江西大唐国际沙岭风电场升压站调试方案(作业指导书)No: 发 布: 中国...
电源技术实训报告 开关稳压电源制作 系别:机电工程系 专业:应用电子技术 姓名: 学号: 指导老师: 2011年 11月 目录 1、任务...
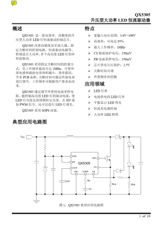
SY7088高效率5V1A同步升压芯片
SY7066ASY70662A3A同步升压芯片
下载后可任意编辑330KV 升压站Ⅰ母线失电反事故演习方案 330KV 升压站 XXX 母线失电演习方案一、反事故演习的组织措施演习目的: 为...
下载后可任意编辑目 录第1 章 220 KV 沟通系统............................................................11.1 一般运行规定.......
亿利库布其太阳能光伏综合治沙一期200MWp光伏发电项目 220kV升压站受电调试措施编写:审核:潘小强批准:魏国柱日期: 2016-1-20 目录一...
110kV 南钟线 1#—23#升压 220kV改造工程施工方案批 准:审 核:编 制: 新疆大明德电力有限公司二零一零年三月二十九日下载后可...

