接地装置试验1.适用范围本作业指导书适用于变电站接地装置交接试验2.引用文件电业安全工作规程DL/T1168-2013电力设备预防性试验规程DL/T621...
题目:斜井常闭式防跑车系统的设计院系专业:机械工程及自动化姓名:唐晓燕指导老师:韩振铎完成时间:2007-11-23目录一设计任务书····...
、工艺流程丙烯腈的生产方法早在年就发现了丙烯酰胺脱水制造丙烯腈的方法,但此生产方法原料来源非常困难。年发现了由环氧乙烷和氢氰酸合成...
氢氮自动加氢及混合配比装置介绍了氢氮自动加氢和氢氮混合配比同时自动进行,设备主要配置,PID调节等;标签:自动混合,自动配比,PID调节1...
机械设计课程设计-1-目录第一章设计题目、任务及具体作业------------------------3一、设计题目----------------------------------------...
高温油泵管线泄漏DDDDD事故征兆、现象泄漏点有白烟冒出,严重时直接着火。处置目标、准确米取措施控制事故事态、扑灭初期火灾,防止事故扩...
北京交通大学毕业设计i毕业设计(论文)中文题目:接触网棘轮补偿装置使用问题分析及对策学习中心(函授站):洛阳教学中心专业:电气工程...
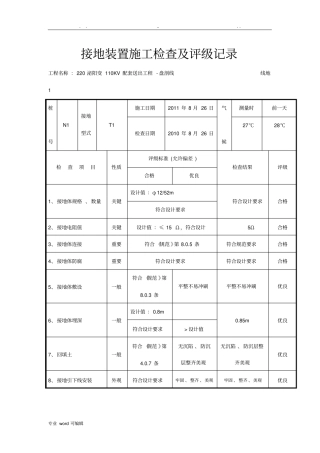
......专业word可编辑接地装置施工检查及评级记录工程名称:220泌阳变110KV配套送出工程-盘剖线线地1桩号N1接地型式T1施工日期2011年8月26...
尿的形成动态模拟装置的制作和使用作者:赵立群来源:《中学生物学》2016年第12期摘要采用常用仪器及生活中容易得到的材料,如输液瓶、输液...
第二章挖掘装置运动学及动力学分析2.1挖掘装置的结构及工作特点挖掘装载机反铲工作装置的结构,其基本型式见图2-1所示。图2-1反铲结构简图...
XXXXX有限公司加氢精制和制氢联合装置200000Nm3/h制氢装置PSA氢提纯单元操作手册XXXXXXX有限公司2007-1制:对:核:定:第三章装置的操作20...
毕业设计论文1摘要国内机械行业可以为制造业提供几乎所有的装备,但毋庸讳言,国内的拉丝行业的水平和实力在国际市场上还不算是强者。拉丝...
含盐污水进污水处理装置试运行方案第一章设计规模和进出水水质1.1设计规模装置来水主要有含油污水、含盐污水(循环水厂排水、中和池废水),...
微课设计模板录制时间:微课时间:5-10分钟左右系列名称高一生物必修1新课系列-----物质跨膜运输的实例本微课名称渗透作用知识点描述半透膜...
乙二醇生产装置的工艺设计ThefinalrevisionwasonNovember23,2020乙二醇生产装置的工艺设计前言乙二醇在国民经济中有着极其重要的地位,是大...
精选活性炭吸附装置的定期保养与维护L此设备工作运行过程中是绝对禁止打开检修门,如要检修关闭风机后进行’N设备使用•个月应检查设备内部...
故障录波装置检验方案批准:审核:编制:正泰电气股份有限公司海南矿业llOkV铁矿变电站工程2014年7月12日1.工程概况及适用范围12.编写依据1...
MFC2000-2型微机厂用电快速切换装置技术说明书东大金智软件股份有限公司南京东大金智电气自动化有限公司二000年十二月目录1.概述.............
装置开车事故应急预案由于各种原因,装置可能发生1.停电、晃电2.停循环水、工艺水、加热热水3.暴雨、台风4.设备火灾爆炸事故5.甲醇泄露6.甲...
建(构)筑物防雷装置检测报告雷检字[]号被检单位地址建构筑物名称联系人电话检测日期有效时间检测单位(章)电话安阳市气象局监制说明1...

