西商高速公路路面37 标SMA-13沥青上面层首件工程总结一、施工路段概况在管理处、总监办、中心试验室、十五驻地办的大力支持和精心指导下,...
巩留县吉尔格郎乡-恰西公路改建工程第一合同段项目部试验段开工报告编制人 : 复核人:审核人:编制日期 : 二 0 一五年七月三十日沥...
资料内容仅供您学习参考,如有不当之处,请联系改正或者删除----完整版学习资料分享---- 试验段施工方案根据合同文件和施工计划要求,C1 ...
三岔经洛东至宜州公路工程(一期)№3 合同段 K23+000~K33+100.167水泥混凝土面层试验路段施工方案编制:审核:审批:江西有色建设集团...
水泥混凝土面层检验批质量验收记录表编号:__________ 单位(子单位)工程名称张湾区石桥村发展大道与王湾路连接便道工程分部(子分部)工...
范文范例参考指导word 格式整理水泥混凝土面层检验批质量验收记录表编号 :__________ 单位(子单位)工程名称张湾区石桥村发展大道与王...
水泥混凝土面层施工质量检查与验收一、材料与配合比(一)原材料控制1.城市快速路、主干路应采用42.5 级以上的道路硅酸盐水泥或硅酸盐水...
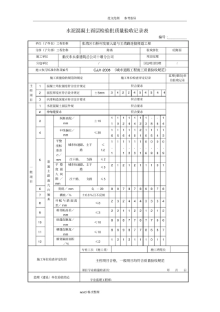
.专业资料分享 . .WORD 完美格式 . 水泥混凝土面层施工检验批质量检验记录表CJJ 1-2008 工程名称叶集孙岗片区龙江小区内部道路工程...
水泥混凝土面层施工方案一、材料要求①水泥:水泥应强度高,收缩性小,耐磨性强、抗冻性好,其物理性质和化学成份均应符合国家有关标准的规...
水泥混凝土面层施工作业指导书本标段共有 27125m2隧道路面, 标号为 C40,抗折强度 5.0Mpa。一、 材料1、水泥应采用强度高、收缩性小...
渭南市临渭区 2018 年通村公路“油返砂”整治工程水泥混凝土路面面层施工方案编制:审核:审批:陕西星元建设工程有限公司二 0 一八年...
水泥混凝土整面层工程检验批质量验收记录( GB50209-2002)表 5.2 编号: 030107□□□工 程 名 称分项工程名称项目经理施 工 单...
百度文库- 让每个人平等地提升自我1 一、 施工准备(一)作业条件1、 楼梯间墙面、顶棚润湿作业完毕。2、 楼梯栏杆焊接完毕, 且验收...
湖北***高速公路沥青面层施工细则湖北 ***高速公路建设指挥部**** 年*月目录一、总则 -----------------------------------------------...
下载后可任意编辑AC-20 工序和保证措施(一)AC-20 下面层施工方法1、施工准备 必须将水稳路面杂物灰尘及表面松散石料清除洁净,空压机...
下载后可任意编辑 长遂道阻燃沥青面层施工质量控制要点分析摘要:文章结合近年的工作以及对相关资料的查阅,以贵州地区隧道路面施工为例,...
下载后可任意编辑本页为作品封面,下载后可以自由编辑删除,欢迎下载!!! 精 品文档1【精品 word 文档、可以自由编辑!】长沙绕城高...
下载后可任意编辑运动场塑胶面层施工方案13mm 混合型喷颗粒跑道塑胶面层铺设1、跑道区混合型塑胶面层铺装施工方案1)试铺:经检测达到要求...
下载后可任意编辑路面沥青混凝土下面层试验路段开工报告施工方案内容介绍总监办: A3 标根据下面层进展情况及三个多月的准备工作,已具备...
下载后可任意编辑水泥稳定碎石基层施工技术方案一、开工前准备工作:1、拌和厂场地准备:在厂拌设备安装调试完毕后,料场及厂拌设备周围进...

