1、CAPP 有哪几种基本类型? 分别基于何种技术?1 检索式 CAPP 系统;2 派生式 CAPP 系统即基于成组技术或基于特征的 CAPP 系统...
目 录1、投标函...........................................22、资格证明文件.....................................33、投标人简介等其...
芯片制造工艺流程芯片制作完整过程包括 芯片设计、晶片制作、封装制作、成本测试等几个环节,其中晶片片制作过程尤为得复杂。下面图示让我...
航天制造企业刀具自动化管理系统建设张显学 刘胤 韩星 林晓青北京卫星制造厂技术四室摘 要:本文阐述了在航天企业的工具管理部门开展信...
网络数控制造系统中常用 DNC 通讯接口模式关键字:DNC 通讯接口 网络 数控制造 DNC 分布式数字控制( DiSTributed Numerical Con...
简析水库放水旋转拍门制造工艺改良措施简析水库放水旋转拍门制造工艺改良措施 摘要: 本文主要对水库传统放水旋转拍门制造结构组成、安装...
电缆的制造工艺一、电缆的主要工艺 电缆是通过:拉制、绞制、包覆三种工艺来制作完成的,型号规格越复杂,重复性越高。 1.拉制 在金属...
三、熔模铸造模具设计和制造3.1 模具分类 模具是用来制造熔模的重要工艺装备。模具应满足以下要求;(1)保证制出的熔模能达到要求的尺寸...
湖南省装备制造产业集群与劳动生产率的空间计量讨论湖南省装备制造产业集群与劳动生产率的空间计量讨论 【摘 要】本文对湖南装备制造业产...
汽车制造企业实施电子商务的模式及对策摘要 本文初步探讨了适用于汽车行业的电子商务模式,并结合我国汽车制造企业的实际背景提出实施电子...
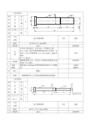
工艺过程卡零件名称大孔凸模零件编号2材料Cr12M oV件数1序号工序名称加工简要说明工时设备1锻造按 Φ20×9 5 mm 备料;2热处理退火...
芜湖市勤惠汽车配件制造有限公司2025 年~2025 年发 展 规 划 编制时间:2025 年 3 月编制:任花花 审核:宋汉冲 批准:张竹成2...
机械设计与制造个人英文简历写作样本Name: Mr. Chen Sex: Male Marital status: unmarried Account: Henan National: Han Poli...
机械制造中绿色制造技术的探究机械制造中绿色制造技术的探究 【摘要】绿色制造是一种将环境影响与资源效益综合考虑在内的现代化制造模式,...
智能制造项目策划方案规划设计/投资方案/产业运营智能制造项目策划方案说明智能制造的实现是一个逐级推动的复杂工程,涉及设计、生产、物流...
数字化制造需要新思维数字化制造需要新思维 数字化设计与制造及其平台是制造业的关键共性技术,也可称之为竞争前技术,不可能单靠一家企业...
微电子制造企业碳减排影响因素讨论微电子制造企业碳减排影响因素讨论 摘要:本文采纳文献讨论法、专家访谈法和问卷调查法相结合的讨论方法...
强化制造企业管理 控制非制造成本强化制造企业管理 控制非制造成本 摘要:随着经济和科学就技术不断的进展,在一定程度上促进了制造企业...
引水压力钢管制造及安装工程监理实施细则一、总则1.1 本细则适用于中小型水电站引水压力钢管的制造与安装监理工程项目。1.2 本细则依据工...
工业软件:智能制造的大脑 历史与现状我国工业软件经历了从无到有,缓慢进展的过程,走过了一条曲折崎岖的路.20 世纪 80 年代,中国人对...

