1 目 录 一、设计的目的 ................................................................................................ 2 二...
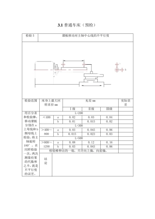
3 .1 普通车床(预检) 检验5 溜板移动对主轴中心线的不平行度 检验范围 床身上最大回转直径mm 允差mm 实际误差 Ⅰ级 Ⅱ级 Ⅲ级...
目 录 第1 章、 零件的分析 .........................................................................................1 1 .1 ...
教 学 项 目 二 CA6140车 床 继 电 接 触 控 制 线 路 安 装 及 PLC改 造 一 、 项 目 导 入 普 通 车 床 ...
CA6140 普通车床拆装与检修 仿真实训系统 Version1.0 安装手册 牵头学校:沈阳铁路机械学校 制作单位:沈阳柏年信息技术发展有限公司...
“C A 6140普通车床后托架” 零件的机械加工工艺规程的编制及工艺装备设计 目 录 前 言 ...........................................
1 一、C A 6140 普通车床传动系统分析与结构组成分析 1.性能简介 CA6140 型普通车床是普通精度级的万能机床,它适用于加工各种轴类,...
目 录 1 绪论 ............................................... 1 1.1 课题 研究背景及选题意义 .................................
学 习 任 务 五 C A 6140 型 车 床 电 气 控 制 线 路 的 检 修 学 习 目 标 1、 能 够 熟 悉 掌 握 常 ...
机 床 及 夹 具 14 2.2 CA6140 型普通车床的传动系统 分析机床的传动系统时,应根据被加工工件的形状确定机床需要哪些运动,实现...
单元二 常用生产机械电气控制线路故障检修 项目一 CA6140 型普通车床电气控制线路故障检修 1、熟悉机床电气电路检修的一般步骤。 2、...
1 实验一 卧式车床结构分析 一、实验目的 1.了解卧式车床的用途、总体布局,以及主要技术性能。 2.分析卧式车床的传动原理和路线。...
前 言 电气控制与电气拖动有着密切的关系。20 世纪初,由于电动机的出现,使得机床的拖动发生了变革,用电动机代替蒸汽机,机床的电气拖...
CA6140 型卧式车床的传动系统 CA6140 型卧式车床的传动系统 ⑴主运动传动链 A.传动路线 运动由电动机(7.5W,1450r/min)经V 带轮传动...
C9350制动鼓车床中文说明书
二、C 650 车床电气控制 图 5 是 C650 型卧式车床电气控制原理图。该车床共有三台电动机:M 1 为主轴电动机,拖动主轴旋转并通过...
技 师 核 心 技 术 专 题 研 修 设 备 大 修 报 告 课题名称 C650 普通车床大修报告 专业班级 07 电气工程(四) 学生...
C6410车床拨叉831006修改好的说明书
C620车床检修
名称:I 轴 机型:C620-3 图号:2-101A 规格:D264 D45 L104 5 槽 名称:结合子齿轮 机型:C620-3 图...

