电脑桌面
添加小米粒文库到电脑桌面
安装后可以在桌面快捷访问

C650车床

C650车床_第1页
1/7
C650车床_第2页
2/7
C650车床_第3页
3/7
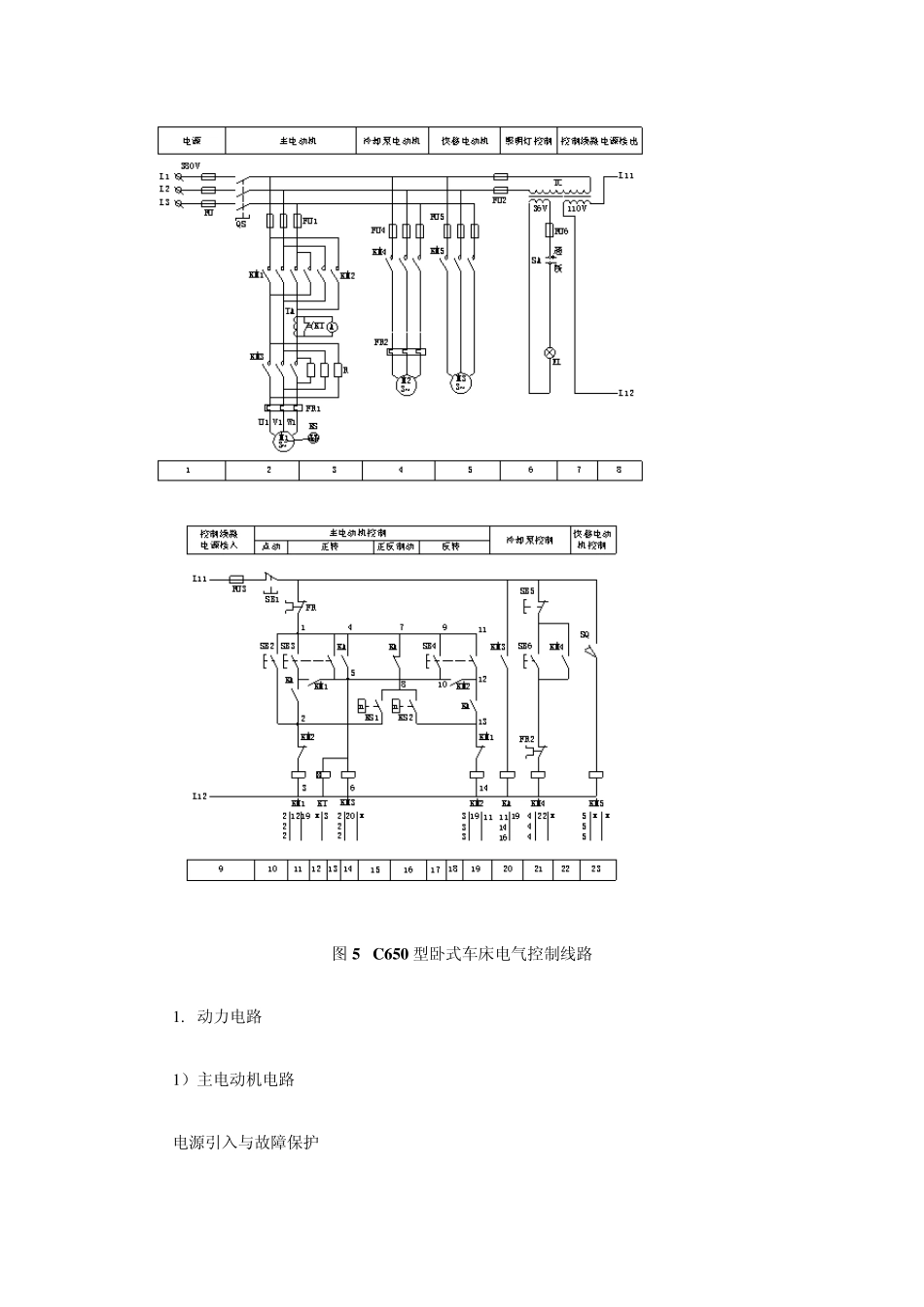
二、C 650 车床电气控制 图 5 是 C650 型卧式车床电气控制原理图。该车床共有三台电动机:M 1 为主轴电动机,拖动主轴旋转并通过进给机构实现进给运动,主要有正转与反转控制、停车制动时快速停转、加工调整时点动操作等电气控制要求。M 2 是冷却泵电动机,驱动冷却泵电动机对零件加工部位进行供液,电气控制要求是加工时起动供液,并能长期运转。M 3 是快速移动电动机,拖动刀架快速移动,要求能够随时手动控制起动与停止。 图5 C 650 型卧式车床电气控制线路 1 . 动力电路 1 )主电动机电路 电源引入与故障保护 三相交流电源L1、L2、L3 经熔断器 FU 后,由 QS 隔离开关引入 C650 车床主电路,主电动机电路中,FU1 熔断器为短路保护环节,FR1 是热继电器加热元件,对电动机 M1 起过载保护作用。 主电动机正反转 KM1 与 KM2 分别为交流接触器 KM1 与 KM2 的主触头。根据电气控制基本知识分析可知, KM1 主触头闭合、KM2 主触头断开时,三相交流电源将分别接入电动机的 U1、V1、W 1 三相绕组中,M1 主电动机将正转。反之,当 KM1 主触头断开、KM2 主触头闭合时,三相交流电源将分别接入 M1 主电动机的 W 1、V1、U1 三相绕组中,与正转时相比,U1 与W 1 进行了换接,导致主电动机反转。 主电动机全压与减压状态 当 KM3 主触头断开时,三相交流电源电流将流经限流电阻 R 而进入电动机绕组,电动机绕组电压将减小。如果 KM3 主触头闭合,则电源电流不经限流电阻而直接接入电动机绕组中,主电动机处于全压运转状态。 绕组电流监控 电流表 A 在电动机 M1 主电路中起绕组电流监视作用,通过 TA 线圈空套在绕组一相的接线上,当该接线有电流流过时,将产生感应电流,通过这一感应电流间显示电动机绕组中当前电流值。其控制原理是当 KT 常闭延时断开触头闭合时,TA 产生的感应电流不经过 A电流表,而一旦 KT 触头断开,A 电流表就可检测到电动机绕组中的电流。 电动机转速监控 KS 是和 M1 主电动机主轴同转安装的速度继电器检测元件,根据主电动机主轴转速对速度继电器触头的闭合与断开进行控制。 2)冷却泵电动机电路 冷却泵电动机电路中FU4 熔断器起短路保护作用,FR2 热继电器则起过载保护作用。当KM4 主触头断开时,冷却泵电动机M2 停转不供液;而KM4 主触头一旦闭合,M2 将起动供液。 3)快移电动机电路 快移电动机电路中FU5 熔断器起短路保护...

1、当您付费下载文档后,您只拥有了使用权限,并不意味着购买了版权,文档只能用于自身使用,不得用于其他商业用途(如 [转卖]进行直接盈利或[编辑后售卖]进行间接盈利)。
2、本站所有内容均由合作方或网友上传,本站不对文档的完整性、权威性及其观点立场正确性做任何保证或承诺!文档内容仅供研究参考,付费前请自行鉴别。
3、如文档内容存在违规,或者侵犯商业秘密、侵犯著作权等,请点击“违规举报”。

碎片内容

确认删除?
VIP
微信客服
  • 扫码咨询
会员Q群
  • 会员专属群点击这里加入QQ群
客服邮箱
回到顶部