SC 非承重混凝土复合自保温砌块体系构造图集 编制单位:东营三城新型建材有限公司 编制日期20 l 2 年1 0 月 总经理:苗可良 总工...
第5 章 承重钢结构焊接施工工艺示范卡 火电建设工程施工工艺示范手册 6 1 第5 章 承重钢结构焊接施工工艺示范卡 5.1 适用范围 ...
下载后可任意编辑纸桥承重设计挑战赛策划书与纺织厂三八妇女节领导讲话汇编纸桥承重设计挑战赛策划书活动宗旨哈尔滨工业大学纸桥设计挑战赛...
【 tips 】本文由李雪梅老师精心收编整理,同学们定要好好复习!如何区分剪力墙、承重墙、挡土墙、填充墙墙体是什么大家都知道,基本上,...
《纸船承重体验活动》说课稿尊敬的各位评委,大家好!今天,我说课的主题是《纸船承重体验活动》。本次的说课环节是一、主题生成:首先,我...
木梁承重比赛策划书活动主题:木梁承重比赛比赛时间:20xx年8月底比赛场地:四楼电工室(学生现场制作),三楼科学实验室(承重比赛)策划、主办...
木结构桥梁木结构桥梁简述简述设计决定着木桥的承重量,这里蕴含着物设计决定着木桥的承重量,这里蕴含着物理的力学知识和数学知识,它是...
1一、机房承重加固重要性一般办公用楼在建设时楼板承重在300-500kg每平米;机房由于机柜和设备,以及UPS的重量往往比较大,通常标准己方的...
间支梁集中力热轧普通工字钢间支梁GB706-88材料:Q235-A间支梁集中力Mmax=QL/4间支梁均布力Mmax=Q*L*L/8Q=1400*4*W/L≈5600*...
以下资料在《深圳市人民政府公报》2005第18期(总第436期)发布——工程管理部注深圳市建设局深圳市规划局关于印发深圳市工程建设技术规范...
桁架承重架设计计算书桁架承重架示意图(类型一)二、计算公式荷载计算:1.静荷载包括模板自重、钢筋混凝土自重、桁架自重(X1.2);2.活荷载...
1课堂教学与STEM理念的融合纸船承重【项目导读】纸船承重项目是基于《科学与技术》第六册第五单元《浮力的研究》这一内容。学生通过三课时...
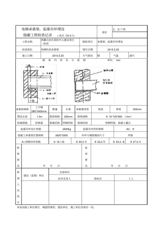
电梯承重梁、起重吊环埋设隐蔽工程检查记录(表式C5-3-1)部位C、D户型工程名称西藏自治区质检中心建设项目二标段隐检项目承重梁、起重吊环埋...
机房预制板承重计算标准一.计算依据:⑴《混凝土结构设计规范》(GB50010-2002)⑵《建筑结构荷载规范》(GBJ9-87),《建筑结构荷载规范》...
机房承重加固一、机房承重加固重要性........................................1二、机房承重加固设计要求..................................
承重能力的简易计算在蓄电池的设计、施工过程中,经常需要考虑机房的承重问题。为方便设计,现提供一种简化计算方法:对于一个跨度为l,均...
1总则1.0.1为促进我省建筑节能技术的多元化发展,规范非承重砌块自保温体系在建筑工程的应用,做到因地制宜、技术先进、经济合理、安全适用...
■消防官兵正在浦江镇坍塌厂房现场搜救被埋人员本版摄影记者张龙陈意俊本报记者沈月明www.gov.cn消息见习记者范洁王文佳昨天14时37分,“轰...
【砌体结构承重纵墙的承载力验算】某三层试验楼,采用装配式钢筋混凝土梁板结构,大梁截面尺寸为200mm×500mm,梁端伸入墙内240mm,大梁间...
A砌体结构墙体是主要承重构件,承受竖向荷载和水平地震作用;砌体具有脆性性质,抗剪,抗拉和抗弯能力都很低,房屋的整体延性较差,因此抗震能力...

