安全红线管理办法第一条 为进一步加强安全生产责任落实,强化过程管控,狠抓源头治理,全面提升现场安全管控水平、有效防范事故发生,确保...
安全管理、现场文明管理制度为加强项目部安全质量标准化管理,保证施工人员的安全和健康,实施安全目标管理,建立项目部安全生产保证体系和...
附件河南省电力公司安全移动存储介质管理办法(试行)第一章总则第一条 为加强河南省电力公司(以下简称“公司”)安全移动存储介质配发、使...
神州数码公司安全移动存储介质管理办法第一章总则第一条 为加强神州数码公司(以下简称“公司”)安全移动存储介质配发、使用和销毁的全过...
安全监理细则及重大危险源管理办法一、安全监理的依据1、法规类文件1)中华人民共和国建筑法(1997 年 11 月 1 日主席令第 91 号);...
安全监控及审计管理办法编制部门:科技信息部版次号:A/0生效日期:20240509目 录第一章 总则3第 二章 安全监控及审计管理 3 第一节 ...
安全监控及审计管理办法编制部门:科技信息部版次号:A/0生效日期:20240509目 录第一章 总则.............................................
安全资料管理办法第一章 总 则第一条 为法律规范项目安全生产资料管理,制定本办法.需归档保存的,按档案管理规定执行。第二条 各部门...
安全生产费用管理办法(修订)第一章 总 则第一条 为了建立公司安全生产投入长效机制,加强安全生产费用管理,保障分公司安全生产资金投入...
第一章 总 则第一条根据国家行业标准《安全标志及其使用导则》(GB 2894-2024)、《安全色》(GB2893)、《工作场所职业病危害警示标识》...
安 全 生 产 规 章 制 度 和 操 作 规 程制 ( 修 )订 程 序 管 理 办 法第 一 章 总 则第 一 条为 法 律 ...
文件编号:GTYLAQ003/GTYLAB005版本号:1709修订号:0国投裕廊洋浦港口有限公司安全生产考核及事故责任追究管理办法编制批准发布日期安全技...
安全生产管理制度为惯彻国家《安全生产法》、《建筑法》和公路部门的各项施工法律规范及施工技术安全规则等法规,执行中铁十七局集团公司《...
安全生产管理办法第一章 总则第一条为加强工程安全生产监督管理,确保国家和人民生命财产安全,保证项目建设顺利进行.根据《中华人民共和国...
中储粮〔2024〕105 号关于印发《中国储备粮管理总公司安全生产管理办法(试行)》的通知各分(子)公司:为严格履行企业安全生产主体责任,切...
安全生产监督管理办法第一章 总 则第一条 为贯彻党和国家有关安全生产的政策法规,建立健全安全生产监督管理体系、安全生产责任制度和群...
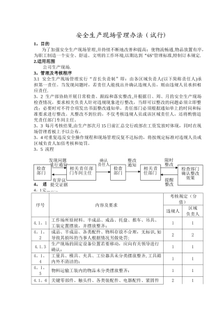
安全生产现场管理办法(试行)1。目的为了加强安全生产现场管理,并持续不断地改善和提高;使物流畅通,物品放置有序,为职工制造一个安全、舒...
劳动安全生产教育培训管理办法1 总 则1。1 为了法律规范我公司劳动安全培训工作,增强职工的劳动安全意识,提高职工劳动安全作业技能,杜...
安 全 生 产 应 急 管 理 办 法第 一 章 总 则第 一 条为 了 有 效 预 防 、 及 时控制和减少公司生产安全事故,法...
安全生产培训管理办法(2024 年修正本)(2024 年 1 月 19 日国家安全生产监督管理总局令第 44 号发布 根据2024 年 8 月 29 ...

