目录一、编制依据 2二、工程概况及特点 2三、施工部署 23.1 施工部署思路 23.2 总体施工顺序 33。3 技术准备 33。4 材料准备 33...
柏乐酒店室内装饰施工招标文件招标人:四川邛海麓镇物业有限公司 日期:2025 年 9 月 26 日投标邀请书 : 欢迎贵单位参加我公司柏乐...
目录一、编制依据 2二、工程概况及特点 2三、施工部署 23。1 施工部署思路 23.2 总体施工顺序 33.3 技术准备 33。4 材料准备 33...
公共部位装饰工程专项施工方案一、本方案编制依据:1、《大华—南京 A6 块 C01-C03 公共部位装修》图纸;2、中国建筑工业出版社《建筑...
盛世华府 1#、2#、3#、5#、7#、8#项目公共部分装修施工方案编制人:审核人:批准 人:西安中伟建设有限公司2025 年 8 月 23 日目...
目 录一、编制依据.............................................................................2二、工程概况.........................
公共部位装饰工程 瓷砖铺贴施工技术交底单工程名称交底人受底人施工范围类 别■样板施工 □大面积施工日 期交底内容具体描述相关图片施...
安 全 交 底 记 录编 号工程名称西安泾渭分明生态半岛玫瑰苑交 底 日 期2025 年 4 月 25 日施工单位安徽四建控股集团有限公...
×××05 地块住宅公共部位装修工程技术标 投 标 人: (盖单位章)法定代表人或其委托代理人: (签 字) 日 期: 2025 年 8 月...
公共通讯工具、通讯平台管理制度(受控文件未经批准不得复制、打印) 拟制: 审核: 会签: 批准: (盖章)修 订 记 录序号页码更改...
公共资源交易及监察平台建设方案书免费技术支持电话:目 录一、项目建设背景 7二、信息系统建设目标和内容 82。1。系统目标 82.2。建设...
公用设施设备的维修措施公用设备设施维修保养计划公用设备、设施维修、保养的目标确保公共设备在使用中完好状态,满足服务要求,延长...
公共资源交易主要法律、法规和规章汇总表法律法规或规定名称发布机关或批准机关文件编号颁布/施行日期备注一、综合法律1、中华人民共和国招...
附件湖南财政经济学院公共选修课开课条件审核表申报的学院/部门序号课程名称规划书资质证明审核结论审核意见体育学院(19门)1健美操通...
公共资源交易中心年终个人工作总结****年**月**“日,我进入公共资源交易中心,成为这个 大”家庭 中的一员,回顾近一年来的工作,...
市公共资源交易中心工作人员综合绩效考核办法 (征求意见稿)第一章 指导思想、原则和适用范围第一条 为提升市公共资源交易中心(以下简...
【内容提要】 如何提升公民的社会主人感、存在幸福感是公共行政面临的课题。公共行政绩效考评是推动公共行政提供优良公共产品和优质公共服...
公用设施设备的维修措施公用设备设施维修保养计划公用设备、设施维修、保养的目标确保公共设备在使用中完好状态,满足服务要求,延长...
技能汇总第一章膳食调查和评价1、 我国在 1959 年、1982 年、1992 年和 2025 年分别开展过四次大型的膳食调查。2、 膳食调查通常采...
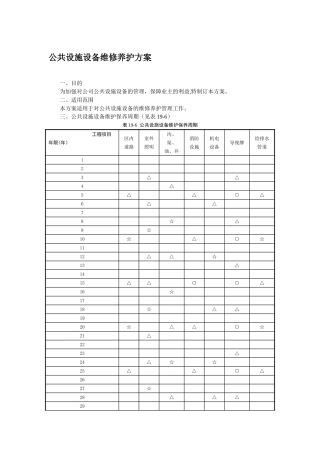
公共设施设备维修养护方案一、目的为加强对公司公共设施设备的管理,保障业主的利益,特制订本方案。二、适用范围本方案适用于对公共设施设...

