工业检测仪器设备公司财务管理制度汇编财务管理规则固定资产管理制度资产控制制度原则资金管理规定资金预算制度会计档案管理出纳作业处理准...
工业检测仪器设备公司审计稽核制度内部稽核制度第二章内部审计工作规定第一章内部稽核制度□总则第一条本公司各部门的稽核工作,由公司随时...
大连 x 宇电信集团战略诊断报告目录• 第一部分:调查问卷分析• 第二部分:访谈结果汇总• 第三部分:公司职能分析• 第四部分:财...
一、实践目的泰兴市神舟机电设备有限公司主要生产各种船舶上的空调、制冷设备等,此次寒假社会实践主要是通过亲身实践、实际操作的形式,体...
“”(一)创建 服务形象 。严格执行公司各项规章制度,在与客户沟通时使用文明用语;诚信为本,不轻易承诺诺客户,承诺的事必须办到、办...
摘 要随着我国经济的长效发展,对企业健康发展来说,资金的地位越来越高,已然成为保障企业能够生存发展的重要因素之一。企业资金管理的水...
目 录摘 要....................................................................................................................IA...
摘 要随着我国经济的长效发展,对企业健康发展来说,资金的地位越来越高,已然成为保障企业能够生存发展的重要因素之一。企业资金管理的水...
质量手册修改记录编号章条/页次更改容版本/修改次更改人审核人更改申请单编号目 录质量手册颁布令 4管理者代表任命书 5质量方针、质量目...
文件會審承認書編號AMR01品質手冊頁次第 1 頁共 22 頁版次第 B1 版生效日期: 02.09.05會審別:□ 制訂■修訂□廢止核准審查制 定...
直流屏检验大纲编写:日期:编号:爱普电气设备检验项目检验容、方法设备与工具判 据1.核对元器件检查元器件型号、规格、参数是否符合设计...
QUALITY MANUAL敬邦机电设备SHANGHAI JINGBANGINSTRUMENT CO., LTD.章节号容修改号末次修改执行日期修改页号页次目录1质量手册发布令2...
安徽民防工程设备公司生产厂房施工组织设计合肥安庐水利建筑工程有限公司二 00 七年十二月十八日目 录1、编制说明 2、工程概况 3、施...
精 星 仓 储 设 备 工 程生 产 安 全 事 故 综 合 应 急 预 案预 案 编号 :AQ-YA(2024) 预 案 版本 : 01 版...
1总则1.1本通则旨在界定远大铃木住房设备有限公司(以下简称远铃)与其特许经销商的权利及义务,确保远铃和各级特许经销商共同利益的长远...
目 录一、 前言二、 产品分析三、 市场分析四、 竞争对手分析五、 客户分析六、 基础工作七、 团队建设八、 成功案例分析 一、前...
设备公司员工入职安全培训考试试题(合格标准为 70 分)一、单项选择题(每题 10 分,每题有且只有一个正确选项)1. 我国安全生产方针是(...
巴 库 德 条 码 公 司 市 场 营 销 策 略 研 究 中 文 摘 要随着信息管理的广泛应用,条码设备也被广泛应用于各行各业。...
**■一、前言二、产品分析三、市场分析五、客户分析六、基础工作七、团队建设八、成功案例分析本方案主要针对矿山行业市场,从产品、市场、...
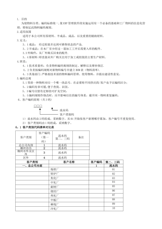
1. 目的 为使物料分类、编码标准统一,使 ERP 管理软件的实施运用有一个必备的基础和工厂物料的信息化管理,特制定此物料编码规则。2.适...

