三轴搅拌桩止水帷幕施工方案06.2三轴水泥土搅拌桩2.1概述本工程内基坑围护采用钻孔灌注桩与三轴水泥搅拌桩相结合的方式,坑内设置一道钢筋...
长螺旋搅拌桩在止水基坑帷幕工程中应用摘要:介绍了砂层基坑止水帷幕工程实例,通过该成功实例说明在砂层,同时水位又较高情况下做止水帷幕...
变形缝止水材料课件目录•变形缝止水材料概述•变形缝止水材料的分类与选择•变形缝止水材料的施工工艺•变形缝止水材料的常见问题与解决方...
教你画宇智波止水漫画教程2宇智波止水是火影忍者里的一个人物,又帅气,实力又强,是男孩子们喜欢的角色。下面就画一幅宇智波止水。先从人...
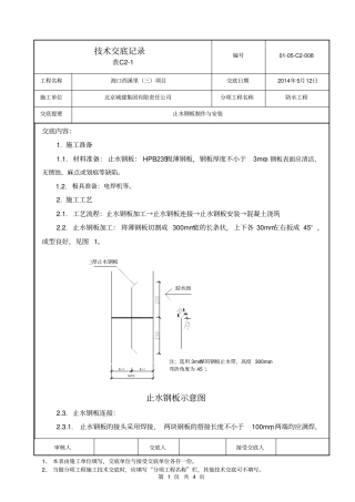
技术交底记录表C2-1编号01-05-C2-008工程名称海口西溪里(三)项目交底日期2014年5月12日施工单位北京城建集团有限责任公司分项工程名称防...
深层搅拌桩施工方案一、工程概况1、工程概况拟建的包头市青山区民4#棚户区改造项目,场地紧临民主路与文学道交叉口,位于包头市青山区民主路...
改进型可拆卸式止水螺杆在现浇剪力墙施工中的应用申报人:=申报单位:平煤神马建工集团土建处郑州项目部2013年12月23日改进型可拆卸式止水...
平安技术交底记录编工程名称康怡休闲园改扩建工程基坑支护工程交底日年月日施工云南建工根底工程有限责任分项工程名称深搅桩施工工程交底提...
止水帷幕三轴水泥搅拌桩施工、监理交底记录建立:慈溪工业品批发经营效劳监理:浙江工正建立监理咨询总包:上海第二建筑GZ/QP/2.0/040No:01...
施工缝遇水膨胀止水条施工工艺标准04版1适用范围本工艺适用于一般工业与民用建筑地下室结构,主要针对构件为基础底板、地下室外墙及迎水地...
第1页共5页编号:时间:2021年x月x日书山有路勤为径,学海无涯苦作舟页码:第1页共5页深基坑注浆止水帷幕施工工艺程明摘要:结合地铁施工中...
江东和谐家园·和谐广场基坑支护工程高压旋喷止水桩施工组织设计1。工程概况及设计要求1。1工程概况江东和谐家园·和谐广场基坑支护工程由...
止水节安装工艺标准制度编号:版号:生效日期:止水节安装工艺标准编制:运营管理中心工程部日期:2020年6月审核:日期:2020年6月批准:日...
第1页共15页编号:时间:2021年x月x日书山有路勤为径,学海无涯苦作舟页码:第1页共15页提高地下室止水门框的抗渗性能一、课题简介上海**大...
水泥土搅拌桩止水帷幕在深基坑中的应用陈迎春江苏南通六建建设集团有限公司徐州分公司邮编:221000【摘要】:水泥土搅拌桩止水帷幕,是由一...
岩土工程与勘察第16卷第1期(总第25期)2004年6月某基坑工程止水及支护设计孙会哲1李宏义2曹红印3刘洪平4【摘要】:北京某基坑工程地下水埋...
提高地下室止水门框的抗渗性能一、课题简介上海**大酒店工程位于**车场南侧,工程占地约40亩,总建筑面积100567㎡,混凝土框剪结构,地面结...
省级工法申报材料(2014年度)工法名称:超前止水后浇带施工工法申报单位:山东宁建建设集团有限公司推荐单位:济宁市住房和城乡建设委员会申...
1前言1.1工程概况***商住楼场地位于***大道东段与***大道交汇处,工程总用地面积约12000m2,建筑±0.000标高为11.80m,地面标高一般为11.50m...
1前言1.1工程概况***商住楼场地位于***大道东段与***大道交汇处,工程总用地面积约12000m2,建筑±0.000标高为11.80m,地面标高一般为11.50m...

