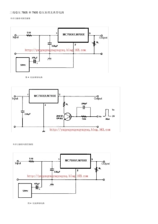
三端稳压 7 8 0 5 和 7 9 0 5 稳压原理及典型电路 外形引脚排列图管脚图 图 4 纹波抑制电路 外形引脚排列图管脚图 图 4 ...
75V50A直流稳压开关电源设计
上海集驰电子有限公司 50mA,高输入电压LDO 线性稳压器 低压差CMOS 电压稳压器 Low Dropout CMOS Voltage Regulator 71XX-1 系...
Rev. 1.4012014-03-19HT70xxA-2TinyPowerTM电压检测器特性• 低功耗• 低温度系数• 高输入电压范围 ( 高达 30V)• 静态电流:3µA...
Rev. 2.3012014-03-19HT75xx-1100mA 低功耗 LDO特性• 低功耗• 低压降• 较低的温度系数• 高输入电压 ( 高达 30V)• 静态电流...
第 1 页 共 14 页 低压差微功耗型 LDO JC53XX 系列 CMOS 电压稳压电路 500mA JC53XX 系列是使用CMOS 技术开发的低压差,高...
Dated : 10/09/2009 SEMTECH ELECTRONICS LTD. (Subsidiary of Sino-Tech International Holdings Limited, a company liste...
3V 到 51V 1W 稳压管型号对照表 1N4727 3V0 1N4728 3V3 1N4729 3V6 1N4730 3V9 1N4731 4V3 1N4732 4V7 1N4733 5V1 1N47...
HT73XXLow Pow er Consumption LDOSelection TablePart No.Ou tpu t VoltagePackageMarkingHT73181.8VTO-92SOT-8973XX-A (for T...
3.3V稳压IC方案HT7133
1型号额定功率P(W)稳定电压VZ(V)稳定电流IZ(mA)22CW6A0.257~8.52932CW6B0.258~9.52642CW6C0.259~10.52352CW6D0.2510~122062CW6E0.2511....
下载后可任意编辑二级稳压装置项目投资分析及可行性报告下载后可任意编辑目录前言.........................................................
课程设计报告题目:直流可调稳压源设计课程名称 :模拟电子技术及 Multisim 仿真学生姓名 :方梦贤学生学号 :1414020108 年级:2014...
H CUH CUUH CUH CUH CUH CUH CUHCUH CUH CH CUHSDVC20-智 能 数 字 调 压 振 动 送 料 控 制 器SDVC22-智 能 数 ...
张飞破解7805电源模块稳压管、三极管组合的线性电源
稳压管参数号参数代参数号参数代参数号参数号参数常用 5W 稳压管参数1N53335W\3.3V1N5333A5W\3.3V1N5333B5W3.3V1N53345W\3.6V1N53355W\3....
1,从本义上说锁存器 flip-latch ; 触发器 trigger 本质区别 : 锁存器( 电平触发 )---对脉冲电平敏感, 在时钟脉冲的电平作用下...
第四章稳压调压电路一、填空题1、(4-1,低)一个直流电源必备的4 个环节是变压、、和。2、( 4-1,低)最简单的稳压电路是带的稳压电路...
消防泵指消防 给水系统用于保证系统压力和水量给水泵而消防稳压泵指消防给水系统用于稳定系统 平时利点水压给水泵两泵作用同消防泵火灾时...
本文档如对你有帮助,请帮忙下载支持!第 7 章 直流稳压电源7.1 本章主要知识点7.1.1 整流电路整流电路的作用是将交流电(正弦或非正...

