进 口 成 本 预 算 表商品名称及数量:编号:供货单位:日期:要货单位:出口国家或地区:价格条件:装卸港口:从经至成交价(外币)...
注塑件成本核算 1、一般耗用取得系数是多少? 耗用系数分两种情况: 一,可以加水口料,2%-5% 二,不可以加水口料,单模水口重量/(单模...
第五章 资本成本 一、单项选择题 1.从资本成本的计算与应用价值看,资本成本属于( )。 A.实际成本 B.计划成本 C.沉没成本 D.机会...
服装成本预算 一、 布料成本 二、 纱线成本 三、 生产成本 四、 其它成本 服装成本计算公式 成衣生产成本可以从中决定售价和此成...
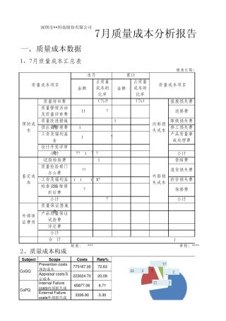
金 额占 质 量成 本 的比 率( % )金 额占 质 量成 本 的比 率( % )质 量 培 训 费505864.74%报 废 损 失 费...
下载后可任意编辑客运出租汽车运营成本调查情况报告 根据《中华人民共和国价格法》、《新疆维吾尔自治区定价目录》等有关法律、法规和有关...
下载后可任意编辑如何降低酒店采购成本:采购成本降低 如何降低酒店采购成本?一直以来,采购成本控制是采购管理中最为核心的问题。如何降...
下载后可任意编辑好的零成本创业点子 零成本创业点子 01 从技能入手 和兴趣爱好道理一样,每个人总有一技之长。 就拿我们做网络的人来...
软件项目费用概算与成本估算内容:一、项目概算和成本估算的意义二、国内外研究状况三、软件成本估算法--功能点估算四、广东省软件项目费...
软件项目成本预算一、实验概述:【实验目的】1、掌握使用 Microsoft Project 2002 编制工程项目成本预算的方法。2、练习使用 Microsof...
1 软件开发成本估算软件开发成本估算主要指软件开发过程中所花费的工作量及相应的代价。不同与传统的工业产品,软件的成本不包括原材料和...
路面预防性养护及寿命周期成本分析方法作者:朱伟雄摘要: 简要介绍预防性养护理念和预防性养护措施,以及寿命周期成本分析方法在道路项目...
第八章资本成本和资本结构学习目的和要求1.了解 MM理论、权衡理论和啄食次序理论等资本结构理论。2.理解经营杠杆、经营风险、财务杠杆、...
1物业管理服务成本测算目录观邸小区物业管理成本测算总表测算明细1、管理服务人员的工资、社会保险和按规定提取的福利费等2、物业共用部位...
下载后可任意编辑基于层次分析的奥运会成本超支风险评价讨论基于层次分析的奥运会成本超支风险评价讨论 摘要:本文引入美国运筹学家 T.L....
下载后可任意编辑[养殖一千只土鸡的成本]土鸡的养殖成本养殖一千只土鸡的成本土鸡的养殖成本 土鸡的养殖成本和利润大家创业网今日为大家精...
下载后可任意编辑各类成本分析及管理模板,XX 公司产品成本分析报告:产品成本分析报告模板 XX 公司产品成本分析报告 XX 公司成本核算工...
下载后可任意编辑各类成本分析及管理模板,工业企业成本核算及管理表格汇总 1 制造成本核算表产品名称: 制造号码: 制造完工日期: 年...
质量成本构成分析及管理控制方案质量成本是指企业为了保证和提高产品质量而支出的一切费用,以及因未达到产品质量标准, 不能满足用户和消...
专 题 报 告公司某事业部质量损失分析报告一、 文章概要目前公司某产品品质非常脆弱,品质问题已成为制约该事业部可持续发展的关键瓶颈...

