主 要 淀 粉 糖 品 的 生 产 工 艺 流 程 一 、 液 体 葡 萄 糖 (工 艺 有 酸 法 、 酸 酶 法 和 双 酶 ...
主 要 润 滑 油 品 种 ( 一 ) A组 ( 全 损 耗 系 统 ) 用 油 L类 产 品 分 为 19组 , 其 中 A组 油 ...
国际贸易运输中常用的海运区域航线 1. 北大西洋航线(North Atlantic Shipping Line) 北大西洋航线是北美与西欧间的运输大动脉,因...
一、自然电位测井: 测量在地层电化学作用下产生的电位。 自然电位极性的“正”、“负”以及幅度的大小与泥浆滤液电阻率 Rmf 和地层水...
一、自然电位测井: 测量在地层电化学作用下产生的电位。 自然电位极性的“正”、“负”以及幅度的大小与泥浆滤液电阻率 Rmf 和地层水...
本工程主要检测仪表及施工机械 序号 机械或设备 名称 规格型号 数量 产地 制造 日期 额定 功率 生产 能力 备注 一、检测仪器...
[分享]主要水产动植物拉丁文学名汇编 主要水产动植物拉丁文学名汇编 每条括号内的中文为别名或各地的俗名。后面括号内为习惯英文写法。 ...
- 1 - 主要材料质量保证措施 合格供应商的评审:按照我们的惯例,在采购材料前,要先对报名要求供货的供应商进行评审,评审主要在以下...
1 主 要 材 料 设 备 运 输 仓 储 和 防 护 措 施 1.1 主 要 材 料 、 设 备 供 应 保 证 措 施 材 料 管...
主要材料的选购及管理措施 1、原材料的选用 钢材:选用大厂生产的钢材。 本工程使用的工程材料,除应由厂家提供的质保书外,还应按设计...
主 要 材 料 计 划 及 保 证 措 施 一 、 材 料 进 场 计 划 本 工 程 所 需 材 料 提 前 30d 编 制 需 ...
序号编 号名 称单位数量地区价小计市场价小计 差额1000500001综合工日(安装)工日24105.847444 1060657.3561349927289270.22000500003综...
主要材料核算盈亏表
云 南 公 路 工 程 试 验 检 测 中 心 香 丽 高 速 公 路 ZJBZXSYS1 中 心 试 验 室 主 要 材 料 检 测 标...
1 2.主要材料超运距取定,主要材料的超运距取定见下表。 材料名称 用途 超运距(m) 材料名称 用途 超运距(m) 机红砖 砌筑 120...
必试项目1硅酸盐水泥普通硅酸盐水泥GB175-19993复合硅酸盐水泥GB12958-19994砌筑水泥GB3183-2003安定性凝结时间强度泌水性5高铝水泥GB201-2...
册 说 明 第八册《给排水、采暖、燃气工程》(以下简称本估价表) 适用于新建、扩建项目中的生活用给水、排水、燃气、采暖热源管道以及...
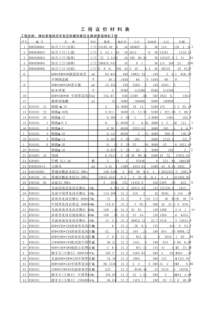
工程地址: 项 目 名 称项 目 名 称材 料 及 工 艺单 位数 量施 工 单 价 (RMB)合 计 (RMB)1顶 面 轻 钢 龙 骨 ...
序号材料编码规格、型号等特殊要求单价1010010015620.752010040018~12#5.230100400213~18#6.240100400320~22#750100400520#760100400916...
第 1 页 共 6 页 主要材料供应计划 一、物资管理机构和职责 1、物资采购领导小组根据新建沈阳至丹东铁路客运专线施工总价承包招标...

