金属眼镜架指眼镜的主要零部件用金属材料制作,当前市场上流行的无框架、半框架的主要零件也都是金属材料。校配的操作也与金属架基本相同,...
1、框架的含义和基本构成 框架就是把一个浏览器窗口划分为若干个小窗口,每个窗口可以显示不同的 URL 网页。使用框架可以非常方便的在浏...
铁路框架桥顶进及线路加固照片 铁路既有平交道口不能满足道路交通需要时,一般采用顶进式框架桥改平交为立交或者采用上跨通过。桥体顶进期...
框架理论与商务谈判 一、 引言 框架理论作为认知语言学的核心理论之一,其地位不言而喻。近年来,框架理论被用来解释,应用在现实生活中...
一、基本参数基本风压:0.40KN/m2计算标高:25.0m地面粗糙度:C类抗震设防烈度:7度基本加速度:0.10g二、荷载计算风荷载体型系数μ S:1....
顶进施工工艺见顶进框架涵工艺流程 1、工作坑开挖及基底处理 首先上报有关单位,并了解施工点附近地上和地下的电力及信号线的具体位置,...
施工技术交底 工程名称 涵洞工程 施工工班 交底工程项目 钢筋加工 交底日期 1. 钢筋制作、安装 1.1合格的钢筋进场后应妥善保护,...
施 工 组 织 设 计 / 方 案 报 审表 建设项目名称:蒙西至华中地区铁路煤运通道工程 施工标段:MHTJ-16 编号: 致:北京中...
1 3 .1 框架桥(涵)施工工艺标准 13.1.1 工艺概述 框架桥(涵)指采用整体式基础,涵身、底板和框架采用钢筋混凝土整体浇筑结构形式...
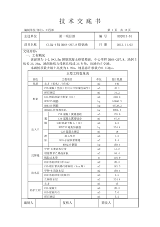
技 术 交 底 书 编制单位/部门:工程部 第 1 页 共 13 页 主送单位 第一项目部 编 号 HD2013-01 项目名称 CLZQ-4 标DK6...
0 框架梁钢筋与型钢混凝土柱连接的质量控制 发布人:杜米广 唐山建设集团有限责任公司 二零一二年三月 1 一、 小组概况 本小组成立...
箍筋长度=梁截面周长-8*c(c 为保护层)+8d(钢筋直径)+11.9*d*2(此为有抗震要求弯钩长度,无抗震要求则为2*6.25*d) 框架梁箍筋的加密区与非...
钢筋工程施工方案 一、编制依据 1、该工程建筑及结构施工图纸、《图纸会审记录》、结构图纸涉及的有关设计变更通知单和洽谈记录(技术核...
1 一 、柱 主 筋 直 径 相 差 小 于 2级 二 、柱 主 筋 单 侧 最 小 配 筋 率 ( 混 凝 土 结 构 设 计 规...
中铁三局集团有限公司 天 童 庄 车 辆 段 与 综 合 基 地 ±0 .0 0 以 上工程施工二标段 目 录 1 编制依据 ............
万宁市人民医院新院二期工程项目 一标段 柱 截 面 加 大 施 工 方 案 编制人: 审核人: 审批人: 编制单位:海南盛达建设工...
1 目 录 一、编制依据 ............................................................................................................
大别山城市广场工程 框架柱加固专项方案 中铁十六局集团有限公司六安项目部 二〇一七年三月 中铁十六局集团有限公司六安项目部 框架柱...
钢筋平法计算手册 第二章框架柱钢筋计算 一、“平法”柱的标注方法 现行柱钢筋“平法”设计的表达方式有列表注写方式、截面注写方式两种...
1 框 架 柱 凿 毛 施 工 方 案 一 、 工 程 概 述 1、 本 方 案 适 用 于 华 电 滕 州 新 源 热 电 有 限...

