1 / 15 第一章健康诊断体系 .......................................................................................................
桥梁涵洞工程施工方案1 / 15 桥涵施工方案⑴、桩基施工方案及施工方法桩基长共计 6538m,其中Φ 2.0m 钻孔桩 2694m,Φ 1.8m 钻孔...
专业资料WORD 完美格式下载可编辑目录1、编制说明 ....................................................................................
桥梁测量工作应注意的事项一、 桥梁图纸 的复核,坐标设计高等的验算在高科技发展的今天,有的测量人员往往忽视了对测量基础知识、基本原...
范文 范例指导参考word 版 整理连镇铁路 LZZQ-5 标沉降观测方案1、编制依据(1)《国家一、二等水准测量规范》(GB12897 — 2006)...
香溪河特大桥水下钻孔桩施工环境保护专项方案工程概况香溪河特大桥桥位主要跨越香溪河,该河为长江一级支流,跨越处流向近南,拟建桥呈80 ...
海安县 2012 年农村公路桥梁二期改造工程QL2标水上作业安全专项施工方案如东县交通工程有限责任公司海安县 2012 年农村公路桥梁二期工...
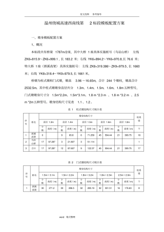
范文范例参考指导word格式整理温州绕城高速西南线第2 标段模板配置方案一、墩身模板配置方案1、概况本标段共有桥梁 1787m/2座,其中大桥...
百度文库- 让每个人平等地提升自我0 黄浦江上游水源地金泽水库工程JSK-C1 标(取水闸)桥梁模板支撑方案中国水电基础局有限公司上海金泽...
市柳东新区仁和路工程桥 梁 模 板 安 装 及 拆 除 方 案广西壮族自治区冶金建设公司2017 年 6 月 16 日市柳东新区仁和路(K...
桥梁模板专项施工方案一、 桥墩模板施工方案1、工艺流程找平定位安装桥墩模板安装模箍安装拉杆或斜撑2、找平定位桥墩模板底边抹好1: 3 ...
xxxxxxx 工程 xxxxxx 标模板工程专项施工方案一、编制依据1、《中华人民全生产法》 、《铁路工程基本作业施工安全技术规程》、《组合钢...
仅供参考 [整理 ] 第 1 页 共 9 页安全管理文书桥梁模板与支架、拱架的安装施工安全措施日期: __________________单位: ______...
桥梁检测项目有哪些 [ 工程类精品文档 ] 本文内容极具参考价值 , 如若有用 , 请打赏支持 , 谢谢 ! 【学员问题】桥梁检测项目有...
桥梁检测车析架结构有限元分析
1 桥梁检测部分1《工程结构可靠度标准》属于(综合基础标准)2《公路工程技术标准》属于(专业基础标准)3《公路工程质量检验评定标准》属...
二技术建议书3.1.1 桥梁相关资料收集及调查收集该桥资料,主要是设计文件、施工文件、竣工资料和养护维修档案等,对所调查桥梁有初步的了...
二技术建议书3.1.1 桥梁相关资料收集及调查收集该桥资料,主要是设计文件、施工文件、竣工资料和养护维修档案等,对所调查桥梁有初步的了...
xxxxxxxx 合同段桥梁安全检测内容及标准xxxxxxx 工程有限公司二〇一一年六月二十二日目录一、检测依据的规范、标准、技术文件..............
范文 范例指导参考word 版 整理合同编号:桥梁检测项目服务合同(包)深圳市交通公用设施管理处制二〇一三年五月范文 范例指导参考word...

