北沿江高速公路马鞍山至巢湖段路基工程盖梁首件施工方案编制:复核:审批:北沿江高速公路马鞍山到巢湖段路基工程中交第四公路工程局有限公...
一、工程概况⑴、工程概况川西大桥位于彭州市境内彭(州)什(邡)公路上,彭什路为双向四车道的二级公路,设计速度60Km/h,本次川西大桥水...
1 桥梁盖梁施工技术方案一、工程概况昆洛路改扩建工程四合同段共有17 棵盖梁,除 22#、23#、24#外,其余盖梁均为大挑臂倒T 型盖梁。全...
范文范例参考指导word 格式整理华扬大桥、华扬大桥桥接线工程盖梁施工方案一、编制依据1.1《建筑施工模板安全技术规范》JGJ162-2008 1.2...
盖梁抱箍法施工方案一、工程概况某大桥桥梁左幅起讫桩号:K780+891.5 ~K781+722.8 。桥梁跨径组成为: 2×(6×20)+3 ×(5×20)+(62+11...
1 四川省华建项目管理有限公司富顺县代寺镇中学校内安全通道新建工程监理规划编制审批年月日2 人行天桥监理规划为保证桥梁监理工作的顺利...
B13监 理实 施 细 则(桥梁工程监理细则)内容提要 :专业工程 特点监理工作 流程监理工作 控制目标及控制要点监理工作 方法及措...
目录一、工程概况 ...................................................................................................................
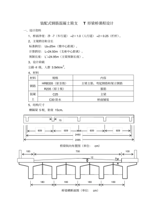
装配式钢筋混凝土简支T 形梁桥课程设计一、设计资料1、桥面净宽:净 -7(车行道) +2×1.0(人行道) +2×0.25(栏杆)。2、主梁跨径和...
创作时间:二零二一年六月三十日创作时间:二零二一年六月三十日B313000桥梁工程之南宫帮珍创作创作时间:二零二一年六月三十日B313010 桥...
《讲座论文》OlANG UNIVERSITY 简述有限元模式下的桥梁结构分析建筑工程学院交通土建李新平谢涛20072201012 路桥 083 班论 文 题 ...
桥梁的基本组成和分类传统的说法桥梁主要由桥跨结构、墩台、基础、附属工程等部分组成⋯⋯。随着大型桥梁的增多、结构先进性和复杂性的增强...
桥梁病害整治施工方案一工程概况:1、梁端顶死:朔黄线前录湾1 号大桥(中心里程:K9+183M)上行第 7 孔、梁家沟 3 号大桥(中心里程...
桥梁灌注桩基施工标准化实施细则一、施工前准备工作1、控制网复测,施工前应完成测量放样工作, 并经监理工程师检验合格。2、做好配合比等...
桥梁灌注桩后压浆技术操作规程1 总则1.1 为适应公路桥梁建设需要,确保桥梁灌注桩后压浆施工质量,特制定本规程。1.2 本规程适用范围为...
1 / 6 满堂支架计算碗扣式钢管支架门架式钢管支架扣件式满堂支架(后图为斜腿钢构)2 / 6 1 立杆及底托1.1 立杆强度及稳定性(通过...
厦门东通道(翔安隧道)工程监表 3 施工组织设计(方案)报审表承包单位:中铁一局第五工程有限公司合同号:厦路总合2008112 矚慫润厲钐...
【 tips 】本文由李雪梅老师精心收编整理,同学们定要好好复习!桥梁滑模及翻模施工安全管理要点桥梁滑模及翻模施工安全管理要点在现代的...
恩 来 恩 黔 高 速 公 路 第 二 合 同 段 一 分 部技 术 交 底 书责任单位:中交二航局恩来恩黔高速公路一分部第 1 ...
范文 .范例 .参考WORD 格式整理版梧州环城公路工程桥梁混凝土裂缝处理专项方案编制:审核:审批:西部中大建设集团有限公司梧州环城公路...

