电脑桌面
添加小米粒文库到电脑桌面
安装后可以在桌面快捷访问

桥梁的设计模板VIP免费

桥梁的设计模板_第1页
1/23
桥梁的设计模板_第2页
2/23
桥梁的设计模板_第3页
3/23
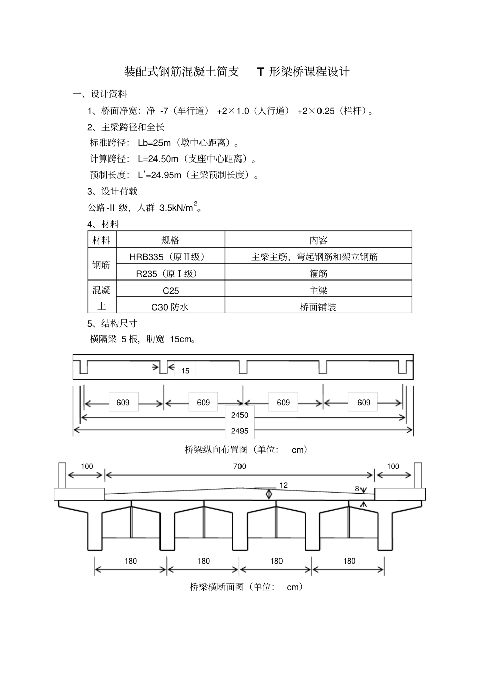
装配式钢筋混凝土简支T 形梁桥课程设计一、设计资料1、桥面净宽:净 -7(车行道) +2×1.0(人行道) +2×0.25(栏杆)。2、主梁跨径和全长标准跨径: Lb=25m(墩中心距离)。计算跨径: L=24.50m(支座中心距离)。预制长度: L’=24.95m(主梁预制长度)。3、设计荷载公路 -II 级,人群 3.5kN/m2。4、材料材料规格内容钢筋HRB335(原Ⅱ级)主梁主筋、弯起钢筋和架立钢筋R235(原Ⅰ级)箍筋混凝土C25 主梁C30 防水桥面铺装5、结构尺寸横隔梁 5 根,肋宽 15cm。桥梁纵向布置图(单位:cm)桥梁横断面图(单位: cm)15 2495 2450 609 609 609 609 180 180 180 180 100 100 700 12 8 T 型梁尺寸图(单位: cm)6、计算方法极限状态法7、设计依据(1) 《公路桥涵设计通用规范》 (JTG –D60-2004)。(2) 《公路桥涵钢筋混凝土和预应力混凝土桥涵设计规范》(JTG –D60-2004)。二、行车道板的计算(一)计算模式行车道板按照两端固定中间铰接的板来计算(二)荷载及其效应1.每延米板上的恒载个g 沥青面层:mkNg/46.0230.102.01C30 面层:mkNg/16.2240.109.02主梁构件:kNg3250.1214.01.03/m 每延米跨宽板恒载合计:mkNgggg/62.5316.246.0321mkNl/81.0218.08.102.永久荷载产生的效应弯矩:kNmglM sg84.181.062.52121220剪力:kNglQsg55.481.062.503.可变荷载产生的效应以重车后轮作用于绞缝轴线上为最不利布置,此时两边的悬臂板各承受一半的车轮荷载根据《公路桥涵设计通用规范》4.3.1 条后轮着地宽度2b 及长度2a 为:ma2.02mb6.02P=140kN μ =0.3 180 140 120 8 14 20 顺行车方向轮压分布宽度:mHaa42.011.022.0221垂直行车方向轮压分布宽度:mHbb82.011.026.0221荷载作用于悬臂根部的有效分布宽度:mlaa44.382.024.142.024.101单轮时:4.104.281.0242.02'01dmlaa重叠根据《公路桥涵设计通用规范》4.3.2 条,局部加载冲击系数:3.11作用于每米宽板条上的弯矩为:mkNblaPM sp/00.16)482.081.0(44.321403.1)4(4)1(10单个车轮时:mkNblaPMsp/49.13)482.081.0(04.241403.1)4('4)1('10取最大值:mkNM sp/00.16作用于每米宽板条上的剪力为:kNaPQsp45.2644.341403.12)1(4.基本组合根据《公路桥涵设计通用规范》4.1.6 条恒+汽:mkNMMspsg/608.24)00.16(4.1)84.1(2.14.12.1kNQQspsg49.4245.264.155.42.14.12.1短期组合mkNMMMspsgsd/46.103.1167.084.117.00.1kNQQQspsgsd79.183.145.267.055.417.0...

1、当您付费下载文档后,您只拥有了使用权限,并不意味着购买了版权,文档只能用于自身使用,不得用于其他商业用途(如 [转卖]进行直接盈利或[编辑后售卖]进行间接盈利)。
2、本站所有内容均由合作方或网友上传,本站不对文档的完整性、权威性及其观点立场正确性做任何保证或承诺!文档内容仅供研究参考,付费前请自行鉴别。
3、如文档内容存在违规,或者侵犯商业秘密、侵犯著作权等,请点击“违规举报”。

碎片内容

桥梁的设计模板

确认删除?
VIP
微信客服
  • 扫码咨询
会员Q群
  • 会员专属群点击这里加入QQ群
客服邮箱
回到顶部