交底内容:本交底主要针对地下结构柱、墙、梁、板、梯等模板及其支架体系。 一、模板支撑构造设计本工程模板采纳 15㎜木胶合板面层,木方...
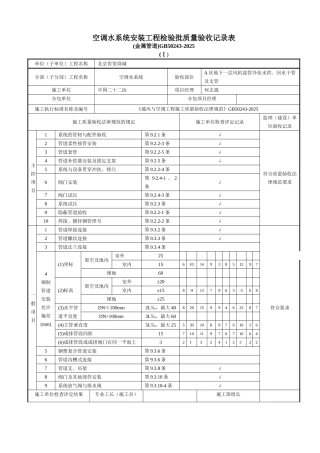
空调水系统安装工程检验批质量验收记录表(金属管道)GB50243-2025(Ⅰ)单位(子单位)工程名称北京世贸商城分部(子分部)工程名称空调水系统...
预检记录表A5-2编号工程名称北京世贸商城预检项目空调水系统预检部位A 座地下一层 A-1-A-6/T-S 轴与 H 卫生间相连 A-8-A-10/T-S 轴...
摘 要 通过对连续墙不同入土深度时某地铁风井圆形基坑的设计方案进行离心模型试验,分析了基坑开挖引起的位移,得出了直径小于 30 m 的...
目录第一章 工程概况...............................................................2第二章 主要施工机械.............................
地下防水施工方案一、工程概况: 本工程是结构自防水及柔性防水层相结合的刚柔结合性多道设防,地下防水面积约为 15000m2左右,防水等级...
目 录1、编制说明....................................................................................................................
第一章 工程概况................................................................5一、编制依据:......................................
后注浆地下连续墙兼地下室外墙施工工法前言后注浆地下连续墙兼地下室外墙施工工艺经过杭州****中心等工程的实施,其施工工艺方法已比较成熟...
目 录第一章 综合说明....................................................51.1 编制依据.............................................
厂房进水口高程 1310m 以上开挖支护技术方案一、工程概况1、工程特性厂房进水口高程 1310m 以上边坡最大开挖高差约 80m,主要施工项目...
某双层地下车库通风及防排烟设计 简介: 在本设计中,采纳传统通风与射流诱导通风相结合的方式,充分利用两种方式各自的优点,在保证满足...
作 业 指 导 书编 号:工程名称: 作业项目名称:厂区地下管网及综合管架施工(第一分册)编制单位: 批 准: 时间:2025.3.2 安...
目录一、施工组织设计............................................................11、施工组织设计文字说明.............................
目 录第一章 编制依据及原则1.1 编制依据1.2 编制原则第二章 工程概况第三章 施工重点、难点3.1 周边环境及施工条件3.2 气象条件3....
南京地铁一号线新街口车站地下连续墙施工技术介绍了南京地铁南北线一期工程新街口车站地下连续墙施工技术。 1 工程概况 南京地铁新街口...
目录1.编制依据.............................................................................................................32. 工...
目 录附图(表)目录.....................................................第一章 编制说明..............................................
目录第一章 工程概况...............................................................2第二章 工程特点.................................
目录第一章 工程概况................................................................2第二章 工程特点................................

