姓名:郭勇学号:0220020128人工地震波生成程序简介一、程序设计内容及方法1、程序内容本程序根据特征周期、水平地震波影响系数最大值和地...
人工商品林采伐试点实施方案为巩固天保工程成果,合理利用人工商品林资源,明确职责,加强管理,规范20XX年全县人工商品林采伐作业及经营行...
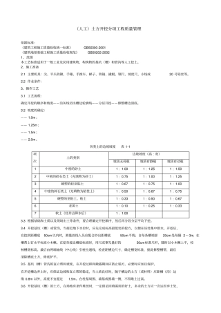
(人工)土方开挖分项工程质量管理依据标准:《建筑工程施工质量验收统一标准》GB50300-2001《建筑地基基础工程施工质量验收规范》GB50202-...
钻杆摩擦焊工房更新改造工程土方回填施工方案编制:审核:审批:中原油田建设集团公司二0一0年七月二十日人工回填土施工方案一、施工准备1...
仅供参考[整理]第1页共4页安全管理文书人工卸煤管理制度日期:__________________单位:__________________仅供参考[整理]第2页共4页人工卸...
人工养殖红腹锦鸡人工驯养繁殖项目可行性研究报告项目名称:红腹锦鸡人工驯养繁殖项目项目实施人:谭志强项目实施地点:神农架林区木鱼镇木...
-1-人工全髋关节置换术后的疼痛原因分析人工全髋关节置换术后的疼痛原因分析全髋关节术后出现的疼痛是一个非常复杂的问题。它可由多种原因...
我在为患者手术前,患者本人和家属经常问的问题就是:“人工膝关节假体,哪个国家、哪个品牌的好?”。面对这个问题,我都要做10分钟的解释...
附件1:人工全髋关节植入技术管理规范(征求意见稿)为了规范人工全髋关节植入技术的临床应用,保证医疗质量和医疗安全,特制定本规范。本...
人工全踝关节置换术踝关节融合的近期疗效和中期疗效的效果都很好,但是对于远期来说,常常导致难治性距下关节和跗骨间关节的骨性关节炎。正...
人工全膝关节置换术后功能锻炼伴随着人口的老龄化和社会的发展,采用人工全膝关节置换术(TKR)治疗膝关节疾病日益增多。TKR不但能接触病变...
娱乐性人工冰场的设计与节能冰场,娱乐性,节能,人工,设计1.前言随着人们生活水平的提高,无论是在北方还是在南方,人们都对冰上运动产生了浓...
99人工挖土及回填施工方案8.1、范围桩部位置原土开挖深,换灰土封闭回填,恢复原地面。8.2、施工准备作业条件:土方开挖前,应摸清地下管线...
-可编辑修改-人工挖孔桩施工方案1、编制依据1)建设单位招标文件及与建设单位签订的施工合同2)湖南核工业岩土工程勘察设计研究院提供的《...
人工膝关节置换简介人工关节是人们为挽救已失去功能的关节而设计的一种人工器官,因而达到缓解症状,改善功能的目的。人们根据全身各关节的...
人工成本控制麦肯锡曾这样评价中国企业:成本优势的巨人却是成本管理上的侏儒.特别是人力成本方面,由于管理者与员工长期片面形成的“人本...
人工挖土主要机具:尖、平头铁锹、手锤、手推车、梯子、铁镐、撬棍、钢尺、坡度尺、小线或号铅丝等。作业条件:土方开挖前,应摸清地下管线...
人工气道管理新展件•人工气道管理概述•人工气道管理的新技术和方法•人工气道管理的并发症与防治•人工气道管理的多学科协作与护理实践•...
人工膝关节置换术手术配合护理课件contents目录•人工膝关节置换术概述•术前准备与护理•术中配合与护理•术后护理与康复指导•出院指导与...
人工挖孔桩工程剖析课件•人工挖孔桩工程概述•人工挖孔桩工程的设计与规划•人工挖孔桩工程的施工工艺•人工挖孔桩工程的质量问题与防治•...

