- 1 - 监 理 技 术 建 议 书 - 2 - 1 、投资控制的工作任务与方法 1)投资控制的工作任务 ⑴、投资控制中的关健工作是组...
中铁济南工程建设监理有限公司 大西铁路客运专线监理站 监理技术交底记录 编号: 交底项目 预应力管桩 交底地点 单位工程 施工单位...
w ord 整理版 福 州 至 泉 州 高 速 公 路 福 州 段 扩 建 工 程 房 建 工 程 监 理 交 底 资 料 编 制: ...
无锡市钱皋路工程项目 监 理 执 行 报 告 无锡市交通工程监理咨询有限责任公司 2007.3.13 1 钱皋路工程监理执行报告 一、工程概...
监理公司成本控制 我国开展工程监理工作十余年来,监理事业发展迅速,监理队伍急剧扩大,全国已有4 0 0 0 多家监理企业,从业人员1 3...
监理总结和质量评估报告
监理影像资料管理方案 为了真实反映工程质量验收资料和现场实物质量的一致性,规范监理影像资料的建立及管理工作,增强监理影像资料留存和...
监理延期情况及投入费用情况说明 武汉理工大基建处: 承 蒙 贵 单 位 的 厚 爱 , 我 单 位 有 幸 成 为 理 工 大 青...
服务理念:向业主及社会提供高品质的监理服务 ××工程 监 理 应 急 预 案 专业监理工程师: 总监理工程师 : 总 工 程 师:...
建鸡高速公路虎林至鸡西段工程建设项目 廉政措施 建鸡高速公路建设项目第二总监办 二〇一〇年七月十日 监理廉政制度 监理工程师应以“...
监理年度工作总结 尊敬的各位领导 时间的推移2 0 1 3 年即将过去,赞新2 0 1 4 也即将到来,在2 0 1 3年后季,根据公司的工作...
监理平行检验记录表(钢筋) 工程名称:安庆北部新城南山西苑 编号: 单位(子单位)工程名称 南山西苑3#楼 分部(子分部)工程名称 ...
1 工程监理平行检验台帐 监理机构(盖章): 总监理工程师(签字): 2 目 录 一、工程监理“平行检验”方案 1 .前言 2 .“平行...
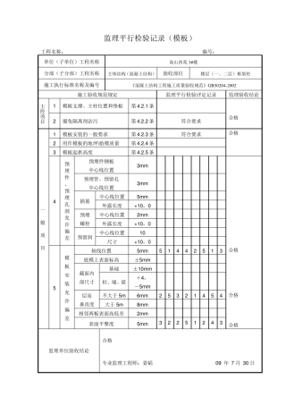
监理平行检验记录(模板) 工程名称: 编号: 单位(子单位)工程名称 南山西苑3#楼 分部(子分部)工程名称 主体结构(混凝土结构)...
监理平行检验计划
B 附 汾 湖 人 家 住 宅 小 区 ( 一 期 ) 工程 监理平行检验方案 内容提要: 监理平行检验的工作依据 监理平行检验的...
第 1 页 共 2 0 页 宁波冠新机械有限公司 工程 工 程 监 理 平 行 检 验 台 帐 监理机构(盖章): 总监理工程师(签...
1 1 1 项目工程监理平行检测方案 1 监理平行检测计划 一.工程概况 二. 编制依据 1、《上海市建设工程质量和安全管理条例》; 2、...
平行检查记录表格汇编 目 录 平行检查记录(测量放线) ....................................................... 3 平行检查记录(...
监理平行检测细则 2017 年度严家港泵闸新建 工程 监理实施细则 (平行检测) 项目监理机构(章): 专业监理工程师: 总监理工程师...

