承包单位:XXXX 局集团有限公司 合同号:D2-TA15-0000-0612 监理单位:江苏建科建设监理有限公司 编 号:A3.1-(2006)0023 施工组织...
目录 第一章 工程概况...............................................................................................................
1 哈尔滨市轨道交通2 号线一 期 工 程 ( 试 验 段 ) 火车站站主体围护结构 测量方案 北京城建中南土木工程集团有限公司 2...
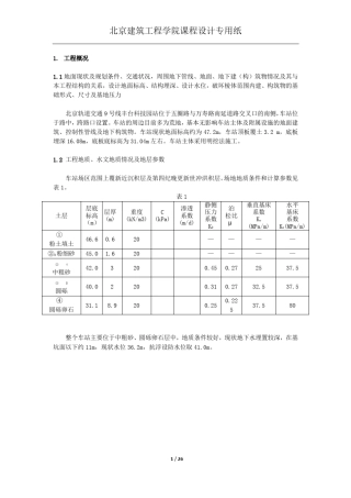
第一章 工程概况及车站环境 1.1 工程概况 广州地铁三号线花城大道站位于珠江新城华厦路与花城交汇处,车站东北角是珠江新城商贸办公区...
计算书 1 模板配置概况表 模板支架配置表 部 位 面板(mm) 次楞(mm) 主楞(mm) 支 撑(mm) 中板(0.4m) 18 胶合板 85×85 方木,...
公式单位计算单根钢轴力设计值N 1kN5100.0计算长度xlxm13.5计算长度ylym20.3半径rm0.400净面积Anm20.0394壁厚bm0.016支撑惯性矩3.03E-03钢...
地铁事故案例汇编 (内部学习资料) 2011 年 1 月 编写委员会 前 言 本案例集所选用的各个案例均选自于互联网络、公开出版发行物...
The Design of Subway Power Supply System 地铁牵引供电系统设计 摘要 牵引供电系统是城市轨道交通系统中最为重要的基础能源设施...
一 、 场 地 围 设 ( 徐 耀 斌 ) 1 、 范 围 的 确 定 : 1 .1 场 地 放 样 测 量 施 工 队 伍 进 场 ...
目 录 目 录 一、编制原则 .......................................................................................................
1 接触网材料图片 一、绝缘子及避雷器 名称: JA 型棒式绝缘子 型号: 备注:腕臂下底座处 名称: 下锚绝缘子 型号:XJ-1.5A 备...
地铁X X X X 站 深基坑监测技术方案 武汉中汉岩土工程技术开发公司 1 地铁XXXX深基坑监测技术方案 第一章 工程概况 1、工程概况...
北宁公园站基坑监测土方开挖总结报告 天津地铁6 号线土建施工第八合同段施工监测 总结报告 编制: 审核: 审批: 2 0 1 5 年 1...
填 空 1、 每 个 牵 引 制 动 箱 驱 动 四 台 并 联 的 牵 引 电 机 。 2、 最 大 网 压 再 生 制 动 时 ...
沈阳地铁十号线第一监理标给水管线迁改工程施工监理实施细则 目录 一、 工程概况、特点及主要技术质量标准 二、 监理工作范围及重点 ...
兰州市城市轨道交通1 号线工程地质勘察(初勘阶段) 监理工作总结报告 甘肃铁科建设工程咨询有限公司 兰州市城市轨道交通建设项目监理...
深圳地铁5 号线工程详细勘察阶段宝安中心站岩土工程勘察报告 -1- 目 录 1概况 ......................................................
第十一章 ATS子系统基本原理 ATS子系统(以下称为 ATS系统)主要实现对列车运行的监督和控制,包括:列车运行情况的集中监视、自动排列进...
地下工程地铁车站设计
下载后可任意编辑保工街站防水施工方案一、编制依据及原则(一)、编制依据⑴ 沈阳市地铁一号线一期工程第六合同段招标文件及保工街站结构...

