Au to CAD 教程 第 1 页 共 23 页 第一讲 第一节 C A D 软件绘图环境配置 一.工作空间设置 在AutoCAD 安装完成并激活后...
题 目 内 容用 户 在 执 行 命 令 时 状 态 行 提 示 信 息 < >中 是 系 统 提 供 的 缺 省 值 。AutoCAD中...
九、本课程试题库 模拟题(一) 一、 填空(60 分) 1、 viewres 的作用:______显示图形精度_________________________________。 ...
CAD 考证模拟题库 类型: 单选 答案: A 题目: 编辑属性的途径不可以: A: 单击属性定义进行属性编辑 B: 双击包含属性的块进行...
Au toCAD 绘图作业练习 1 一 、 图 形 文 件 操 作 练 习 : 1、建 立 一 个 新 的 图 形 文 件 , 并 将 此...
第 12章 AutoCAD绘图基础 ◆学习目标: 1.了解AutoCAD2006 绘图的基本知识、基本绘图功能。 2.理解AutoCAD2006 的基本绘图思想,掌握...
ATA 培训 第 1 页 共 16 页 1-1 3-1 5-1 7-1 9-1 ATA 培训 第 2 页 共 16 页 1-2 操作步骤:多边形命令(边长(E)...
第 1 页 共 5 6 页 第1 章 绪 论 1. 课程的研究对象、学习目的和学习方法 1.1 课程的研究对象和学习目的 “画法几何及机械...
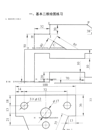
1 / 22 一、基本二维绘图练习 1、辅助绘图工具练习 图 1-1输入点的相对直角坐标、相对极坐标绘制图形 图 1-2打开正交模式绘制图形...
AutoCAD 绘制别墅平面基本户型图 【范例分析】 AutoCAD用来绘制基本户型图,基本户型图是一个建筑或者室内的正交顶视图,也是其基本结构...
Au toCAD 练习题 —1— 练习一 C A D 的基本知识和基本操作 1-1 直角坐标、直线命令 1-2 直角坐标、直线命令 Au toCAD 练习...
AutoCAD空心文字编辑技巧
AutoCAD 简答题汇总 1.在绘制图形时,如果发现某一田形没有绘制在顶先设置的图层上,应如何纠正? 答:在绘制图形时,如果发现某一图形役...
比例是Au toCAD 中的一个很重要的概念,本论坛有关Au toCAD 的比例概念已有很多介绍,只不过没有系统总结,最近有几个帖子又谈到这个问...
1 电气CAD 绘图基础 1.1 电气制图的一般规定 1.1.1 图 纸 幅 面 及 格 式 (1)图纸的幅面尺寸 为 了 图 纸 规 范 统...
单铁芯双次级绕组电流互感器
AutoCAD 用户快速上手CAXA 电子图板教程 CAXA 特色 CAXA 电子图板与AutoCAD 有很多相同之处,这点对于掌握AutoCAD 的工程师来说,...
AutoCAD 理论试题 一、单项选择题 绘图系统基本知识和基本操作 l、AutoCAD 的系统配置命令是________。 (A)Config (B)device (C)fi...
AutoCAD 模型空间和图纸空间 AutoCAD 有二个作图空间,模型空间和图纸空间。顾名思义,模型空间就是指所画的实物,而图纸空间就相当于我...
广州大学学生实验报告 开课学院及实验室:化学化工学院 2011年 12月 17日 学院 年级、专业、班 姓名 学号 实验课程名称 计算机辅...

