工程名称混凝土质量通病防治的措施第一章 概述混凝土工程施工过程中,常常发生一些质量通病,影响结构的安全,如何最大限度的消除质量通病...
浅谈混凝土质量通病的防治及处理混凝土工程施工过程中,常常发生一些质量通病,影响结构的安全,如何最大限度地消除质量通病,保证工程结构...
混凝土质量缺陷处理表格1、施工问题联合检验认定表2、施工质量缺陷处理措施报审表3、混凝土表面缺陷检查记录表4、混凝土缺陷修补开工申请(...
目 录1.工程概况.....................................................................................................................
整体式单向板肋梁楼盖设计一、设计资料1、某仓库,楼面活荷载标准值为 8KN/m2。2、楼面面层为 20mm 厚水泥砂浆抹面,梁板的天花抹灰为 ...
混凝土质量缺陷处理针对砼拆模后,部分墙体及墙体根部存在的少量蜂窝麻面烂根现象,对出现的质量缺陷,应严格控制施工队伍,不能让其随意修...
表 F.0.1 施工组织设计/(专项)施工方案报审表施表 F.0.1 共 1 页第 1页 工程名称施工单位编制单位现报上 混凝土质量缺陷处 理...
混凝土试块抗压强度汇总及评定表工程名称:河南省省直体育活动中心 日期:2025 年 2 月 10 日 施工项目技术负责人: 审核: 计算:...
中 国 中 铁 隧 道 集 团 二 处 有 限 公 司兰 渝 铁 路 西 秦 岭 隧 道 ( XQLS2 标 ) 进 口 项 目 部混...
混凝土课程设计计算书课题名称: 钢筋混凝土单向板肋梁楼盖设计 学生学号: 060107010041 专业班级: 06 岩土与地下工程 学生姓名:...
混凝土质量保证措施(一)原材料质量保证措施1、水泥、粉煤灰、外加剂由指定厂家供应,并按法律规范要求及相关规定及时取样复检,合格后方...
混凝土试块抗压强度汇总表 GJ0.1—2—4GB50300—2001工程名称: 日期:序号试 块 代 表部 位设计强度等级试验报告编 号龄期d试块抗...
混凝土试块试压报告汇总表 ZJ2.17工程名称:徐州麓山荣郡(荣盛城)B 地块 1 标 9 楼桩基工程 该批设计等级:C35序号桩 号龄期各组...
西南交大建筑与土木工程专业学位硕士讨论生入学考试 混凝土结构设计原理重点总结前言:本人是 14 年刚刚考上来的专硕讨论生,对混凝土这...
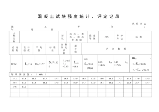
混 凝 土 试 块 强 度 统 计 、 评 定 记 录试 验 表 22施工单位: 年 月 日工程名称 部位边 石 、 界石 、 收 ...
归档编号:C2-3-4-4 混凝土试件抗压强度统计评定记录 工程名称: 结构部位: 养护方法:施工单位: 建设单位: 填报日期:工 程部 ...
混凝土裂缝的分析与控制摘 要近代科学讨论和大量的混凝土工程实践证明,在混凝土工程中裂缝问题是不可避开的,在一定的范围内也是可以接受...
混凝土裂缝的预防和处理 摘 要:混凝土的裂缝问题是一个普遍存在而又难于解决的工程实际问题,本文对混凝土工程中常见的一些裂缝问题进行...
混凝土裂缝用环氧树脂灌浆材料介绍了用于修补混凝土的环氧树脂灌浆材料行业标准及其编制说明。为了保证环氧树脂灌浆材料使用后的防渗漏补强...
混凝土装饰挂板性能介绍介绍生态混凝土装饰挂板的原材料、配合比设计、生产制作过程及在建筑工程上应用的情况,表明这种生态混凝土装饰挂板...

