电脑桌面
添加小米粒文库到电脑桌面
安装后可以在桌面快捷访问

混凝土质量缺陷处理方案1

混凝土质量缺陷处理方案1_第1页
1/8
混凝土质量缺陷处理方案1_第2页
2/8
混凝土质量缺陷处理方案1_第3页
3/8
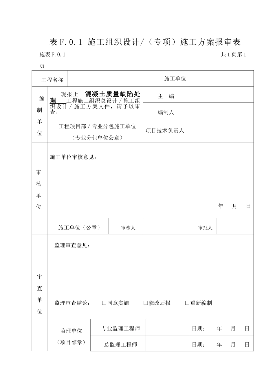
表 F.0.1 施工组织设计/(专项)施工方案报审表施表 F.0.1 共 1 页第 1页 工程名称施工单位编制单位现报上 混凝土质量缺陷处 理 工程施工组织总设计/施工组织设计/施工方案文件,请予以审查。主 编编制人工程项目部/专业分包施工单位(专业分包单位公章)项目技术负责人 审核单位施工单位审核意见: 年 月 日施工单位(公章)审核人审批人审查单位监理审查意见:监理审查结论: □同意实施 □修改后报 □重新编制监理单位(项目部章)专业监理工程师日期: 年 月 日总监理工程师日期: 年 月 日混凝土质量缺陷处理方案施工单位:混凝土质量缺陷处理方案一、工程概况1、工程名称:2、建设地点:3、设计单位:4、监理单位:5、勘察单位:6、建设单位:7、施工单位:8、建筑规模:总建筑面积约 16558㎡,建筑高度 23.8 米。9、施工工期:计划开工日期:2025 年 5 月 26 日。计划竣工日期:2025 年 3 月 31 日。工期总日历天数:300 天。工期总日历天数与根据前述计划开竣工日期计算的工期天数不一致的,以工期总日历天数为准。10、质量标准要求:达到合格标准。11、基础型式:柱下独立基础,地基基础设计等级为丙级。结构体系:框架结构,抗震设防类别为丙类,建筑结构安全等级为二级,抗震设防烈度七度,主体结构合理使用年限 50 年。二、砼质量缺陷的分类和判定1、建筑工程施工质量中不符合规定要求的检验项或检验点,按其程度可分为严重缺陷和一般缺陷。严重缺陷:是对结构构件的受力性能或安装使用性能有决定性影响的缺陷。一般缺陷:是对结构构件的受力性能或安装使用性能无决定性影响的缺陷。2、现浇结构外观不应有严重缺陷,不宜有一般缺陷。 现浇结构外观质量缺陷名 称现 象严 重 缺 陷一 般 缺 陷露筋构件内钢筋未被砼包裹而外露。纵向受力钢筋有露筋。其他钢筋有少量露筋。蜂窝砼表面缺少水泥砂浆而形成石子外露。构件主要受力部位有蜂窝。其他部位有少量蜂窝。孔洞砼中孔穴深度和长度均超过保护层厚度。构件主要受力部位有孔洞。其他部位有少量孔洞。夹渣砼中夹有杂物且深度超过保护层厚度。 构件主要受力部位有夹渣。其他部位有少量夹渣。疏松砼中局部不密实。构件主要受力部位有疏松。其他部位有少量疏松。裂缝缝隙从混凝土表面延伸至混凝土内部。构件主要受力部位有影响结构性能或使用功能的裂缝。其他部位有少量不影响结构性能或使用功能的裂缝。连接部位缺陷构件连接处混凝土...

1、当您付费下载文档后,您只拥有了使用权限,并不意味着购买了版权,文档只能用于自身使用,不得用于其他商业用途(如 [转卖]进行直接盈利或[编辑后售卖]进行间接盈利)。
2、本站所有内容均由合作方或网友上传,本站不对文档的完整性、权威性及其观点立场正确性做任何保证或承诺!文档内容仅供研究参考,付费前请自行鉴别。
3、如文档内容存在违规,或者侵犯商业秘密、侵犯著作权等,请点击“违规举报”。

碎片内容

混凝土质量缺陷处理方案1

确认删除?
VIP
微信客服
  • 扫码咨询
会员Q群
  • 会员专属群点击这里加入QQ群
客服邮箱
回到顶部