软件需求分析报告 网 上 机 票 预 订 管 理 系 统 学生姓名 张泽 郑威颂 学 号 ************ ************ 专业班级 网...
软件需求分析文档 ——拟开发系统:网络教学系统 专 业:软件工程 班 级:软件工程 0601班 小组成员:陈东陛(06430119) 陈海泉(...
软件需求分析报告模板(完整版) 目录 1. 范围 1 2. 总体要求 1 2 .1 总体功能要求 ..............................................
软件需求分析报告文档 模板 1 . 引言 1 .1 编写目的 1 .2 项目风险 1 .3 文档约定 1 .4 预期读者和阅读建议 1 .5 产品...
软件需求分析报告文档模板 1 . 引言 引言是对这份软件产品需求分析报告的概览,是为了帮助阅读者了解这份文档是如何编写的,并且应该如...
I 软件需求分析报告-(模板) 目录 1 . 范围 .....................................................................................
软件需求分析复习题 一 、 判 断 题 1、 使 用 实 例 方 法 可 以 使 用 户 更 清 楚 地 认 识 到 新 系 统 ...
1 软件需求分析图形表示与形式描述 传统图形描述技术建模及语义 中国谚语:Ein Bild Zeigt ueber Tausend Saetze. (A picture s...
第三章 软件需求分析 软件需求分析是软件定义阶段的最后一个步骤,它的基本任务是要准确地回答“系统必须做什么?”这个问题,即对目标...
安 装 调 试 及 维 修 售 后 服 务 售 后 服 务 计 划 第 一 点 售 后 服 务 计 划 1 保 修 期 内 售 后...
软件销售常用业务话术——面对拒绝篇 1、客户:我不想把钱花在软件上 公司:X 总其实像您生意做得这么大,为什么你会觉得没有必要把钱花...
所有的销售都是一样,你必须对你所销售的商品有所了解.在成为销售专家之前,你要做的是先成为一个产品专家.所以,在你从事销售之前,请你对软件...
软件销售合同范本(15 篇) 软件销售合同范本 1 甲方(买方): 乙方(卖方): 甲乙双方经过平等协商,在真实、充分地表达各自意愿的...
软件销售常用业务话术— — 面对拒绝篇 1、客户:我不想把钱花在软件上 公司:X 总其实像您生意做得这么大,为什么你会觉得没有必要把...
某软件销售协议 买方(甲方): (以下简称“甲方”) 卖方(乙方): (以下简称“乙方”) 签订日期: 依据《中华人民共和国合同法...
软 件 销 售 策 略 软 件 销 售 的 好 坏 对 软 件 开 发 商 来 说 尤 为 重 要 ,它 关 系 到 软 件 开 ...
软件销售策略的8 个方法 软件软件销售常用的6 个策略,以期帮助营销战友实现软件软件的销售局面突破。一、试用策略;二、捆绑软件销售;...
邀标文件 X X X 公司 邀 标 文 件 项目编号:XXX2019-001 项目名称:XXXX 软件开发项目采购 邀 标 人:XXX 公司 日 期:...
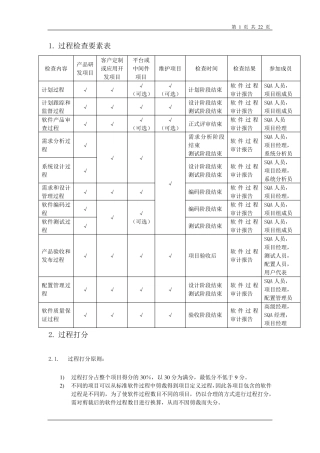
软件配置管理过程指导说明书 软件配置管理过程 指导说明书 软件配置管理过程指导说明书 共 17 页 第1页 目录 1 前言 .............
软 件配置管理计划编写规范 第 1 页 案卷号 日期 <专卖店销售系统> 软件配置管理计划 * 者: ** 完成日期: 2 0 1 1 .0...

