实用文案文案大全梁底模板支撑架计算计算依据《建筑施工模板安全技术规范》(JGJ162-2008)。一、计算参数:新浇混凝土梁名称KL12新浇混凝土梁...
模板支撑架施工控制要点一、模板支撑架介绍模板支撑系统是伴随着建筑施工的要求而产生并发展的,是施工作业中必不可少的手段和设备。1、扣...
陕西省建筑工程施工质量验收技术资料统一用表施工质量验收技术资料通用表施工技术交底纪录工程名称公安小区二十号楼及地下车库交底日期2009...
陕西建筑工程施工质量验收技术资料统一用表施工质量验收技术资料通用表施工技术交底纪录工程名称小区二十楼及地下车库交底日2009年11月30日...
叠合板支撑体系专项施工方案编制:审核:审批:0无锡速建脚手架工程技术有限公司2014-2-22速捷架支撑体系专项施工方案一、工程概况二、编制...
模板支撑架搭设验收记录工程名称:部位:序号项目检查问题验收意见1立杆基础2扫地杆3架料质量项目技术负责人:年月日4搭设宽度5立杆间距6剪...
0叠合板支撑体系专项施工方案编制:审核:审批:无锡速建脚手架工程技术有限公司2014-2-221速捷架支撑体系专项施工方案一、工程概况二、编...
第1页共143页编号:时间:2021年x月x日书山有路勤为径,学海无涯苦作舟页码:第1页共143页。。。。。高大模板与承插型盘扣式钢管支撑体系安...
6.9满堂支撑架6.9.1满堂支撑架步距与立杆间距不宜超过本规范附录C表C-2~表C-5规定的上限值,立杆伸出顶层水平杆中心线至支撑点的长...
目录第一章编制依据及说明.........................................................................................1第二章工程概况.....
高支模施工技术交底记录施工单位工程名称交底部位编制人交底内容分部工程交底日期技术负责人交底内容:一、施工准备1、材料准备1)钢管钢管...
碗扣式模板支撑架施工方案一、工程概况骏豪花园T2栋工程;工程建设地点:清新区18号区,交通顺畅;总建筑面积:平方米,属于框剪结构,地下...
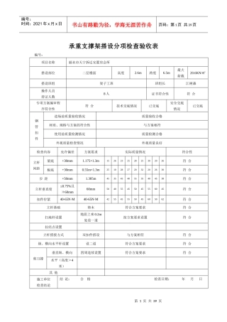
第1页共39页编号:时间:2021年x月x日书山有路勤为径,学海无涯苦作舟页码:第1页共39页承重支撑架搭设分项检查验收表编号:项目名称丽水市...
**金田佳苑项目支撑施工方案****建工股份有限公司二o**年十二月目录第一章工程概况21.1....................................................
彭水县城摩围山隧道工程系梁支撑方案彭水县城摩围山隧道工程系梁支撑方案建设单位:彭水县城市建设投资有限责任公司设计单位:中铁二院重庆...
第1页共6页编号:时间:2021年x月x日书山有路勤为径,学海无涯苦作舟页码:第1页共6页模板高架支撑架体系施工方案及计算书本工程设计计算依...
住房和城乡建设部备案号:DB重庆市工程建设标准DBJ50-xxx-2014建筑施工插槽式钢管模板支撑架安全技术规范Technicalcodeforsafetyofslotstee...
第1页共7页编号:时间:2021年x月x日书山有路勤为径,学海无涯苦作舟页码:第1页共7页更多资料请访问.(.....)更多企业学院:...../Shop/...
第1页共8页编号:时间:2021年x月x日书山有路勤为径,学海无涯苦作舟页码:第1页共8页建筑脚手架和支撑架的技术、设计和管理(重庆大学土木...
模板支撑架搭设和拆除的安全技术措施1)安装安全技术措施⑴应遵守高处作业安全技术规范有关规定。⑵架子作业时,必须戴安全帽,系紧安全带...

