2017 年上半年河北省化工工程师:真空泵的定义及分类考试题 本卷共分为2大题50小题,作答时间为180分钟,总分100分,60分及格。 一、单...
2016 年湖北省化工工程师:真空泵的定义及分类考试题 本卷共分为2大题50小题,作答时间为180分钟,总分100分,60分及格。 一、单项选择...
2016 年山东省化工工程师:真空泵的定义及分类考试试题 本卷共分为2大题50小题,作答时间为180分钟,总分100分,60分及格。 一、单项选...
2015 年下半年江西省化工工程师:真空泵的定义及分类考试题 本卷共分为2大题50小题,作答时间为180分钟,总分100分,60分及格。 一、单...
机械真空泵验收标准(一)H-150 滑阀真空泵一、 滑阀泵的结构与原理:1. 滑阀泵是由泵体、滑阀、偏心轮等组成。2. 工作原理:在泵体中...
下载后可任意编辑北京第二油库真空泵安装工程施工方案下载后可任意编辑四川省工业设备安装公司2024.03.03下载后可任意编辑北京第二油库真空...
罗茨式真空泵的工作原理阐明核心词:罗茨真空泵、罗茨真空泵工作原理。 罗茨真空泵(简称罗茨泵)是一种旋转式变容真空泵。它是由罗茨鼓风...
15 真空泵操作规程: 15.1 真空泵原理: 水环真空泵〔简称水环泵〕是一种粗真空泵,由于水环真空泵中气体压缩是等温的,故可抽除易燃、...
干式螺杆真空泵使用手册
水喷射真空泵水箱降温方案 作者:王卫国 郭友 姚忠东来源:《山东工业技术》第 01 期 摘 要:在减压蒸馏过程中,由于真空抽取的高温...
水环式真空泵工作原理水环式真空泵叶片的叶轮偏心地装在圆柱形泵壳内。泵内注入一定量的水。叶轮旋转时,将水甩至泵壳形成一种水环,环的内...
Szb-8 水环真空泵中设备投资约3400 亿元,如果设备核岛国产化率达到70%、常规岛国产化率80%、辅助设备国产化率90%计算的话,则国内设备企...
Sz-2 型水环式真空泵标准的话语权和主导权。由于历史原因和区域原因,目前ISO/TC153“阀门”已形成已欧美为主体的格局。因此,全国阀门标...
土建处“四新”成果申报表 单位:(盖章)第三项目部 2010 年12 月20 日 完成项目 新型真空泵轻型井点降水组合法的研究应用 主要完...
希赫真空泵LEMC25~250
SK系列水环式真空泵及压缩机使用说明书
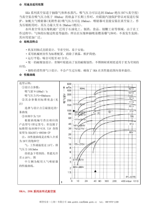
SK 水 环 真 空 泵 说 明 书 一 、 用 途 及 使 用 范 围 SK 系 列 水 环 工 真 空 泵 及 压 缩 机 是 用...
SKA和2SK系列水环式真空泵选型表
SIHI真空泵
液环真空泵选型计算表

